Công tắc áp suất chống cháy nổ Wise P955
| Tên sản phẩm | Công tắc áp suất chống cháy nổ Wise |
| Model | P955 |
| Thương hiệu | WISE |
| Xuất xứ | Hàn Quốc |
| Phân phối | Công Ty TNHH Kỹ Thuật QBS |
| Xem catalog sản phẩm | Catalog Công tắc áp suất chống cháy nổ Wise P955 |
Mô tả
Công tắc áp suất chống cháy nổ Wise P955 có thể được sử dụng trong dây chuyền xử lý nồi hơi. Công tắc vi mạch bên trong được kích hoạt bởi áp suất của nhiều loại chất lỏng khác nhau, chẳng hạn như áp suất khí quyển hoặc áp suất nước. Phạm vi cài đặt áp suất có thể điều chỉnh được.
Ứng dụng của Công tắc áp suất chống cháy nổ Wise P955
-
- Giám sát áp suất trong dây chuyền xử lý lò hơi: Sử dụng để phát hiện và kích hoạt công tắc dựa trên áp suất nước hoặc các chất lỏng khác trong hệ thống lò hơi.
- Kiểm soát áp suất khí quyển: Áp dụng trong các hệ thống cần theo dõi áp suất môi trường hoặc áp suất thấp để kích hoạt các chức năng tự động.
- Giám sát áp suất nước: Sử dụng trong các đường ống hoặc hệ thống xử lý nước, nơi cần điều chỉnh và phản hồi nhanh chóng.
- Ứng dụng với khí gas: Kiểm soát áp suất trong đường ống khí, phù hợp cho các môi trường cháy nổ như nhà máy hóa chất hoặc khí đốt.
- Ứng dụng với dầu: Giám sát áp suất trong quy trình xử lý dầu, chẳng hạn như trong ngành dầu khí hoặc sản xuất.
Thông số kỹ thuật cơ bản
| Thông số | Giá trị / Chi tiết |
| Loại | Diaphragm-type, Explosion-proof pressure switch (chống nổ) |
| Chất lỏng tương thích | Gas, Oil, Nước, Áp suất khí quyển |
| Phạm vi điều chỉnh | 0.3 kPa ~ 50 kPa (hoặc -1.0 ~ -0.1 bar) |
| Dead band | Cố định, Approx. 5~6% phạm vi điều chỉnh |
| Repeatability | ±1.0% của phạm vi điều chỉnh |
| Micro switch | 1 SPDT (One SPDT), Micro contact vàng hợp kim |
| Định mức tiếp điểm | AC 125/250 V, 15 A (resistive); DC 125 V, 0.4 A (resistive), 0.03 A (inductive) |
| Nhiệt độ môi trường | -25 ~ +65 °C (NBR/Viton) hoặc -40 ~ +65 °C (Silicone) |
| Nhiệt độ chất lỏng | Tối đa 100 °C |
| Độ bảo vệ | IP67 (EN60529/IEC529) |
| Vật liệu chính | Màng ngăn: 316L SS hoặc Viton (lên đến 4 kPa) |
| Kết nối áp suất: 316 SS | |
| Vỏ: Nhôm ALDC12.1 sơn bạc | |
| Kết nối process | 1/4″, 3/8″, 1/2″ (PT, NPT, PF) |
| Kết nối điện | 3/4″ NPT (Female) |
| Tùy chọn lắp đặt | Bracket ống 2″ (304SS hoặc 316SS) |
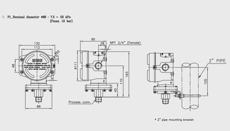
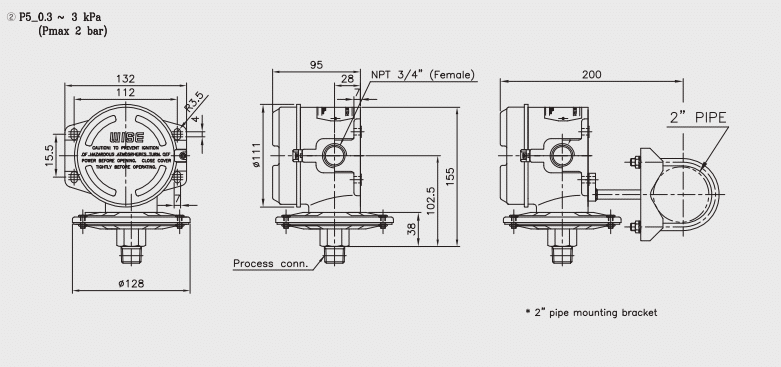
Kích thước của đồng hồ


Tham khảo Catalog chi tiết ở đây: Catalog Công tắc áp suất chống cháy nổ Wise P955
Nguyên lý hoạt động của Công tắc áp suất chống cháy nổ Wise P955
-
- Áp suất từ chất lỏng/khí (gas, dầu, nước hoặc áp suất khí quyển) tác động lên màng ngăn (diaphragm) làm bằng thép không gỉ 316L SS hoặc Viton.
- Khi áp suất tăng, màng ngăn bị đẩy lên, nén lò xo đối kháng (spring) đã được điều chỉnh trước để đạt setpoint.
- Khi lực áp suất vượt quá lực lò xo (đạt ngưỡng cài đặt), màng ngăn kích hoạt micro switch nội bộ (loại SPDT).
- Micro switch thay đổi trạng thái tiếp điểm: đóng/mở mạch điện (NO/COM/NC), gửi tín hiệu điều khiển (bật/tắt thiết bị, báo động…).
- Khi áp suất giảm xuống dưới setpoint (trừ dead band khoảng 5-6%), lò xo đẩy màng ngăn trở về vị trí ban đầu, micro switch trở về trạng thái gốc.
Tính năng đặc biệt
-
- Chống nổ (Explosion-proof): Chứng nhận KCS Ex db IIC T6 Gb – an toàn cho môi trường khí dễ cháy nổ (gas, dầu).
- Phạm vi áp suất thấp & điều chỉnh được: 0.3 kPa đến 50 kPa (hoặc chân không -1 đến -0.1 bar), phù hợp áp suất thấp/âm.
- Dead band cố định: Khoảng 5–6% phạm vi điều chỉnh, độ lặp lại cao ±1.0%.
- Micro switch SPDT chất lượng cao: Tiếp điểm vàng hợp kim, chịu tải lớn (AC 125/250V 15A), hoạt động đáng tin cậy cho tải nhỏ.
Liên hệ mua hàng và hỗ trợ tư vấn kỹ thuật
-
- CÔNG TY TNHH KỸ THUẬT QBS
- MST : 0318810101
- HOTLINE : 0939 487 487
- EMAIL : info@qbsco.vn
Sản phẩm tương tự
Thiết bị đo lường
Đồng hồ đo lưu lượng dạng phao VA – PSDK
Thiết bị đo lường
PROMAG H 300 – LƯU LƯỢNG KẾ ĐIỆN TỪ
Thiết bị đo lường
Đồng hồ nhiệt độ KINS – KOREA
Thiết bị đo lường

