Công tắc áp suất Wise P990
| Tên sản phẩm | Công tắc áp suất Wise |
| Model | P990 |
| Thương hiệu | WISE |
| Xuất xứ | Hàn Quốc |
| Phân phối | Công Ty TNHH Kỹ Thuật QBS |
| Xem catalog sản phẩm | Catalog Công tắc áp suất Wise P990 |
Mô tả
Công tắc áp suất Wise P990 được thiết kế chủ yếu để đo lường và kiểm soát áp suất trong môi trường có chất lỏng ăn mòn và áp suất cao, với tính năng chống nổ (Explosion-proof) phù hợp cho các khu vực nguy hiểm. Dựa trên đặc tính sản phẩm (micro contact type, fixed dead band, khả năng chịu nhiệt độ và áp suất lớn), nó thường được áp dụng trong các ngành công nghiệp nặng, nơi cần độ an toàn cao và độ chính xác trong việc kích hoạt công tắc điện khi áp suất đạt ngưỡng nhất định.
Ứng dụng của Công tắc áp suất Wise P990
-
- Ngành hóa chất: Giám sát và kiểm soát áp suất trong các quy trình liên quan đến chất lỏng ăn mòn hoặc khí dễ nổ.
- Ngành hóa dầu và lọc dầu: Sử dụng để đo áp suất cao trong đường ống, bồn chứa hoặc thiết bị xử lý hydrocarbon.
- Khai thác dầu khí: Áp dụng trong giàn khoan, đường ống dẫn dầu hoặc khí đốt.
- Ngành dược phẩm: Kiểm soát áp suất trong quá trình sản xuất thuốc với các chất dễ cháy hoặc ăn mòn.
- Xử lý nước và nước thải: Sử dụng trong hệ thống xử lý nước thải công nghiệp, nơi có thể có khí metan hoặc hóa chất ăn mòn.
- Nhà máy thép và luyện kim: Theo dõi áp suất trong lò nung hoặc hệ thống khí nén.
- Hệ thống bơm, máy nén và tua bin: Kích hoạt công tắc để bảo vệ thiết bị khỏi quá áp.
Thông số kỹ thuật cơ bản
| Thông số | Giá trị / Chi tiết |
| Đường kính danh nghĩa | 125 mm |
| Độ chính xác | ±1.0% full scale |
| Độ chính xác | ±3% full scale |
| Độ lặp lại | ±1.0% adjustable range |
| Phạm vi điều chỉnh | -0.1…0 đến -0.1…2 MPa |
| 0…0.1 đến 0…40 Mpa | |
| Switch differential | Cố định, < 6–15% full scale |
| Nhiệt độ làm việc | Môi trường: -20…+65 °C |
| Chất lỏng: Max. 100 °C | |
| Ảnh hưởng nhiệt độ | ±0.4% full scale / 10 °C |
| Phần tử cảm biến | Ống Bourdon C-type hoặc Helical-type |
| Vỏ & nắp | Nhôm đúc ALDC12.1, sơn bạc xám |
| Định mức tiếp điểm | SPDT: AC 125/250V 15A |
| DC 125V 0.4A (resistive) | |
| DC 125V 0.03A (inductive) | |
| Số lượng công tắc | 1 SPDT hoặc 2 SPDT |
| Kết nối process | 3/8″ hoặc 1/2″ PT / NPT / PF |
| Kết nối conduit | 3/4″ PF (F) |
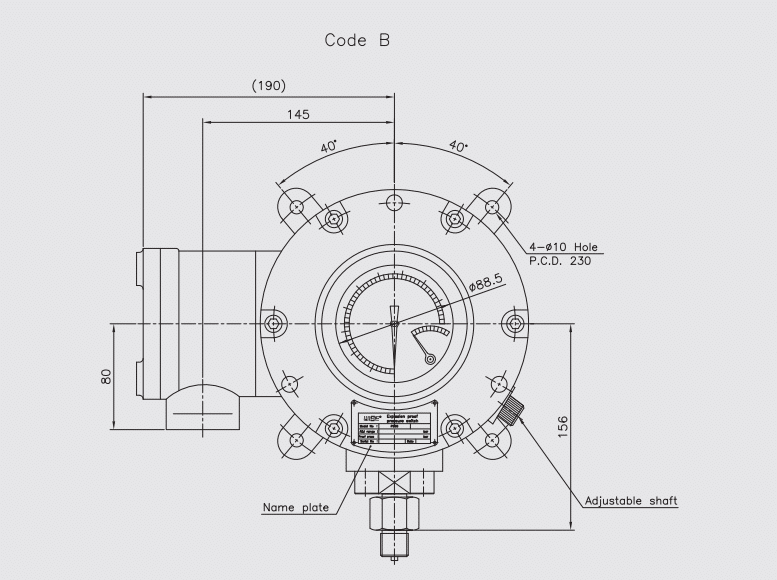
Kích thước của đồng hồ


Tham khảo Catalog chi tiết ở đây: Catalog Công tắc áp suất Wise P990
Nguyên lý hoạt động của Công tắc áp suất Wise P990
-
- Áp suất tác động: Áp suất từ chất lỏng/khí (qua đầu nối process) đi vào ống Bourdon → ống Bourdon bị biến dạng (uốn thẳng ra hoặc xoắn lại tùy loại), tạo chuyển động cơ học ở đầu tự do.
- Chuyển động cơ học: Chuyển động này được truyền qua cơ cấu liên kết (linkage, gear) → làm quay kim chỉ thị trên mặt đồng hồ (đo áp suất trực tiếp, độ chính xác ±1.0% FS).
- Kích hoạt công tắc: Khi áp suất đạt ngưỡng setpoint (đã điều chỉnh ngoài bằng adjustable shaft), chuyển động cơ học tác động lên micro contact (loại crossbar với tiếp điểm vàng, SPDT hoặc 2 SPDT) → đóng/mở mạch điện (ON/OFF) để kích hoạt báo động, điều khiển bơm/van, v.v.
- Đặc điểm chính:
- Dead band cố định (không điều chỉnh, 6-15% FS).
- Micro contact chịu tải lớn, độ lặp lại cao (±1.0% adjustable range).
- Vỏ chống nổ (Ex d IIB+H₂) bảo vệ trong môi trường nguy hiểm.
Tính năng đặc biệt
-
- Chống nổ (Explosion-proof) – chứng nhận KCS Ex d IIB+H₂ T₆
- Kết hợp đồng hồ chỉ thị áp suất (125 mm) + công tắc áp suất (indicating pressure switch)
- Micro contact loại crossbar vàng, chịu tải lớn (AC 125/250V 15A, DC 125V 0.4A)
- Dead band cố định, nhỏ (6–15% FS), độ lặp lại cao (±1.0% adjustable range)
Liên hệ mua hàng và hỗ trợ tư vấn kỹ thuật
-
- CÔNG TY TNHH KỸ THUẬT QBS
- MST : 0318810101
- HOTLINE : 0939 487 487
- EMAIL : info@qbsco.vn
Sản phẩm tương tự
Thiết bị đo lường
PROLINE PROMAG H 200 – LƯU LƯỢNG KẾ ĐIỆN TỪ
Thiết bị đo lường
PROMAG P 300 – LƯU LƯỢNG KẾ ĐIỆN TỪ
Thiết bị đo lường
PROMAG W 10 – LƯU LƯỢNG KẾ ĐIỆN TỪ
Thiết bị đo lường

