Đồng hồ áp suất đo mật độ khí SF6 Wise P590
| Tên sản phẩm | Đồng hồ áp suất đo mật độ khí SF6 Wise |
| Model | P590 |
| Thương hiệu | WISE |
| Xuất xứ | Hàn Quốc |
| Phân phối | Công Ty TNHH Kỹ Thuật QBS |
| Xem catalog sản phẩm | Catalog Đồng hồ áp suất đo mật độ khí SF6 Wise P590 |
Mô tả
Đồng hồ áp suất đo mật độ khí SF6 Wise P590 là thiết bị chuyên dụng để giám sát mật độ khí SF6 trong các bồn chứa kín, chủ yếu áp dụng trong lĩnh vực điện cao thế và thiết bị chuyển mạch (switchgear). Nó giúp đảm bảo an toàn, phát hiện rò rỉ khí và duy trì hiệu suất hoạt động của hệ thống bằng cách đo lường mật độ khí, bù nhiệt độ và kích hoạt báo động khi đạt ngưỡng giới hạn.
Ứng dụng của Đồng hồ áp suất đo mật độ khí SF6 Wise P590
-
- Giám sát mật độ khí SF6 trong bồn chứa kín cho switchgear: Thiết bị được thiết kế chính để theo dõi mật độ khí trong các bồn chứa SF6 kín dùng cho thiết bị chuyển mạch điện.
- Ứng dụng trong thiết bị điện cao thế: Sử dụng để giám sát mật độ khí trong các thiết bị cao áp như máy cắt, biến áp.
- Kích hoạt báo động khi đạt giới hạn mật độ: Phát hiện và báo động (alarm) hoặc khóa (lockout) khi mật độ khí thấp hơn ngưỡng.
- GIS – Gas Insulated Switchgear: Áp dụng trong các hệ thống GIS để theo dõi mật độ khí, phát hiện rò rỉ, độ ẩm và tình trạng máy cắt.
- GIB – Gas Insulated Substations: Sử dụng để đo lường và duy trì mật độ khí SF6 trong các trạm biến áp kín, đảm bảo hiệu suất cách điện cao.
- Phát hiện rò rỉ khí và giám sát môi trường: Giúp giảm thiểu tác động môi trường bằng cách phát hiện sớm rò rỉ SF6.
Thông số kỹ thuật cơ bản
| Thông số | Giá trị / Chi tiết |
| Mục đích sử dụng | Giám sát mật độ khí SF6 trong bồn chứa kín cho switchgear |
| Đường kính danh nghĩa | 100 mm |
| Độ chính xác | ±1.0% tại +20°C |
| ±2.5% tại -20°C đến +60°C | |
| Dải thang đo | -0.1 ~ 0.1 MPa đến -0.1 ~ 2 MPa (áp suất khí SF6 tại +20°C) |
| Nhiệt độ cho phép | Môi trường: -20 ~ +65°C (pha khí) |
| Lưu trữ: -50 ~ +60°C tối đa | |
| Kết nối áp suất | G½” (316SS) |
| Ống Bourdon | 316SS; C-type (<10 MPa), Helical-type (≥10 MPa) |
| Vỏ & nắp | 304SS, kiểu bayonet |
| Cửa sổ | Kính an toàn |
| Bù nhiệt độ | Liên kết bi-metal (bimetal link) |
| Độ bảo vệ | IP67 (EN60529/IEC529) |
| Kiểm tra điện áp cao | 2 kV, 50 Hz (dây nối vs vỏ) |
| Kết nối điện | Hộp cáp + gland M20×1.5; tiết diện dây max 1.5 mm² |
| Rò rỉ helium | < 10⁻⁸ mbar·L/sec |
| Tiếp điểm | Snap-action (lên đến 3 tiếp điểm); tải max 30W/50VA (dry), 250V |
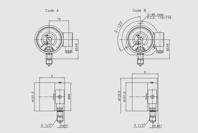
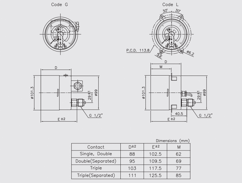
Kích thước của đồng hồ


Tham khảo Catalog chi tiết ở đây: Catalog Đồng hồ áp suất đo mật độ khí SF6 Wise P590
Nguyên lý hoạt động của Đồng hồ áp suất đo mật độ khí SF6 Wise P590
-
- Ống Bourdon (C-type hoặc helical tùy áp suất) cảm nhận áp suất thực tế của khí SF6 trong bồn kín → đầu ống uốn cong, truyền chuyển động qua cơ cấu bánh răng đến kim chỉ thị.
- Liên kết bi-metal (bimetal link) tự động bù nhiệt độ theo tham chiếu 20°C (isochore reference): Khi nhiệt độ thay đổi, bi-metal co giãn để điều chỉnh chuyển động kim, đảm bảo kim chỉ hiển thị áp suất quy đổi về 20°C (tương đương mật độ khí thực, vì mật độ SF6 tỷ lệ với áp suất ở nhiệt độ cố định).
- Kết quả: Kim chỉ trên mặt số (với vùng đỏ/vàng/xanh) hiển thị mật độ khí ổn định, không dao động theo nhiệt độ môi trường (-20°C đến +65°C).
- Snap-action contacts (tiếp điểm cơ khí nhảy) kích hoạt báo động hoặc khóa khi mật độ giảm dưới ngưỡng cài đặt (low alarm/lockout), nhờ nam châm vĩnh cửu tăng độ tin cậy và chống rung.
Tính năng đặc biệt
-
- Bù nhiệt độ bằng bi-metal: Hiển thị mật độ khí chính xác, không bị ảnh hưởng bởi thay đổi nhiệt độ môi trường (-20°C đến +65°C).
- Độ chính xác cao: ±1.0% tại +20°C, ±2.5% trong dải -20°C đến +60°C.
- Tiếp điểm snap-action: Chống rung/sốc tốt, độ tin cậy cao, chịu tải đến 30W/50VA, lên đến 5 tiếp điểm.
- Vật liệu chống ăn mòn: Ống Bourdon, kết nối 316SS; vỏ 304SS; IP67 chống nước/bụi.
Liên hệ mua hàng và hỗ trợ tư vấn kỹ thuật
-
- CÔNG TY TNHH KỸ THUẬT QBS
- MST : 0318810101
- HOTLINE : 0939 487 487
- EMAIL : info@qbsco.vn
Sản phẩm tương tự
Thiết bị đo lường
PROMAG 800 – LƯU LƯỢNG KẾ ĐIỆN TỪ
Thiết bị đo lường
PROMAG P 300 – LƯU LƯỢNG KẾ ĐIỆN TỪ
Thiết bị đo lường
PROLINE PROWIRl D 200 – LƯU LƯỢNG KẾ XOÁY
Thiết bị đo lường

