Đồng hồ áp suất Wise P410, P420
| Tên sản phẩm | Đồng hồ áp suất Wise |
| Model | P410, P420 |
| Thương hiệu | WISE |
| Xuất xứ | Hàn Quốc |
| Phân phối | Công Ty TNHH Kỹ Thuật QBS |
| Xem catalog sản phẩm | Catalog Đồng hồ áp suất Wise P410, P420 |
Mô tả
Đồng hồ áp suất Wise P410, P420 là đồng hồ đo áp suất thấp (draft gauge) dạng lắp panel, dùng để đo áp suất rất nhỏ, bao gồm áp suất chân không, áp suất dương thấp hoặc áp suất hỗn hợp (compound). Thiết bị thường được sử dụng trong các hệ thống thông gió, lò đốt, ống khói và HVAC để theo dõi độ hút/đẩy của không khí hoặc khí với độ chính xác phù hợp cho dải áp thấp.
Ứng dụng của Đồng hồ áp suất Wise P410, P420
-
- Đo độ hút (draft) trong ống khói lò hơi: Kiểm soát áp suất âm để đảm bảo khí thải thoát đúng, tránh trào ngược.
- Giám sát áp suất buồng đốt lò công nghiệp: Đảm bảo quá trình cháy ổn định, không thiếu hoặc dư gió.
- Theo dõi áp suất gió trong ống HVAC: Kiểm tra hiệu suất quạt cấp – quạt hồi trong hệ thống điều hòa thông gió.
- Đo chênh áp trước và sau bộ lọc khí (AHU/FCU): Xác định mức độ bẩn của lọc, quyết định thời điểm vệ sinh/thay thế.
- Kiểm soát áp suất phòng sạch: Duy trì áp suất dương hoặc âm giữa các khu vực theo tiêu chuẩn GMP/ISO.
- Giám sát áp suất phòng kỹ thuật – phòng điện: Tránh bụi, khí độc xâm nhập bằng kiểm soát áp suất thấp.
- Theo dõi áp suất gió quạt hút công nghiệp: Phát hiện sớm hiện tượng nghẹt ống, giảm lưu lượng gió.
Thông số kỹ thuật cơ bản
| Thông số | P410 / P420 Series |
| Loại thiết bị | Đồng hồ đo áp suất thấp (Draft gauge) |
| Dải đo | Chân không, áp suất thấp, áp suất hỗn hợp (compound) |
| Đơn vị đo | kPa, mbar |
| Dải áp suất | -100 ~ 0 mbar đến 0 ~ 100 mbar (tùy model) |
| Độ chính xác | ±2.0% FS (±3.0% FS với thang chân không/compound) |
| Áp suất làm việc | 75% toàn thang |
| Bảo vệ quá áp | 130% toàn thang |
| Nhiệt độ môi trường | -20 ~ +65 °C |
| Nhiệt độ môi chất | Tối đa 100 °C |
| Phần tử đo | Inox 316L |
| Cơ cấu truyền động | Kim loại (Brass movement) |
| Vật liệu vỏ | P410: Thép sơn đen |
| P420: Inox 304 sơn đen | |
| Mặt số | Nhôm trắng, vạch chia đen |
| Kim chỉ | Hợp kim PBs2 sơn đen |
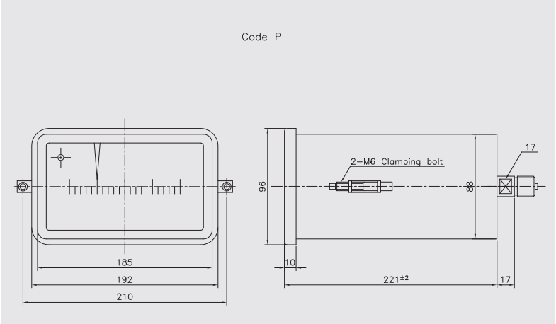
| Kích thước danh định | 192 × 96 mm hoặc 96 × 192 mm |
| Kết nối áp suất | ⅜”, ½” PF / PT / NPT |
Kích thước của đồng hồ


Tham khảo Catalog chi tiết ở đây: Catalog Đồng hồ áp suất Wise P410, P420
Nguyên lý hoạt động của Đồng hồ áp suất Wise P410, P420
-
- Tiếp nhận áp suất: Áp suất thấp, chân không hoặc áp suất hỗn hợp từ hệ thống khí/không khí đi vào cổng kết nối của đồng hồ.
- Tác động lên phần tử đàn hồi: Áp suất tác động lên phần tử đo bằng inox (316L SS) → phần tử này sẽ biến dạng rất nhỏ khi áp suất thay đổi.
- Chuyển đổi cơ học: Độ biến dạng được truyền qua cơ cấu chuyển động (movement) bằng kim loại → chuyển chuyển động nhỏ thành chuyển động quay.
- Hiển thị kim: Chuyển động quay làm kim chỉ thị di chuyển trên mặt số, hiển thị giá trị áp suất theo đơn vị kPa hoặc mbar.
- Đo được cả áp suất âm & dương nhờ thiết kế thang đo đặc biệt, đồng hồ có thể:
- Đo chân không (áp suất âm)
- Đo áp suất dương thấp
- Đo áp suất hỗn hợp (compound)
- Hoạt động hoàn toàn cơ khí: Không cần nguồn điện, độ ổn định cao, phù hợp môi trường công nghiệp.
Tính năng đặc biệt
-
- Đo áp suất rất thấp: Phù hợp dải áp nhỏ, chân không và áp suất hỗn hợp (compound).
- Hiển thị trực quan, dễ quan sát: Mặt số lớn, thang chia rõ ràng, đọc nhanh giá trị.
- Thiết kế lắp panel: Gắn trực tiếp lên tủ điều khiển, bảng điện, gọn gàng – chuyên nghiệp.
- Hoạt động hoàn toàn cơ khí: Không cần nguồn điện, ổn định, ít hỏng hóc.
Liên hệ mua hàng và hỗ trợ tư vấn kỹ thuật
-
- CÔNG TY TNHH KỸ THUẬT QBS
- MST : 0318810101
- HOTLINE : 0939 487 487
- EMAIL : info@qbsco.vn
Sản phẩm tương tự
Thiết bị đo lường
PROMAG W 400 – LƯU LƯỢNG KẾ ĐIỆN TỪ
Thiết bị đo lường
PROLINE PROMAG H 200 – LƯU LƯỢNG KẾ ĐIỆN TỪ
Thiết bị đo lường
PROMAG P 300 – LƯU LƯỢNG KẾ ĐIỆN TỪ
Thiết bị đo lường

