Đồng hồ áp suất Wise P500
| Tên sản phẩm | Đồng hồ áp suất Wise |
| Model | P500 |
| Thương hiệu | WISE |
| Xuất xứ | Hàn Quốc |
| Phân phối | Công Ty TNHH Kỹ Thuật QBS |
| Xem catalog sản phẩm | Catalog Đồng hồ áp suất Wise P500 |
Mô tả
Đồng hồ áp suất Wise P500 được thiết kế để đọc áp suất đo tại chỗ và được trang bị khối tiếp điểm cảm ứng cho phép sử dụng tất cả các tổ hợp tiếp điểm. Khối tiếp điểm được gắn trên mặt số. Cửa sổ hiển thị được trang bị núm vặn để điều chỉnh điểm đặt từ bên ngoài.
Ứng dụng của Đồng hồ áp suất Wise P500
-
- Ngành hóa chất: Giám sát & điều khiển áp suất trong reactor (lò phản ứng), đường ống dẫn hóa chất ăn mòn (axit, bazơ, dung môi).
- Ngành dầu khí & lọc dầu: Đo áp suất tại bình chứa khí/gas, đường ống dẫn dầu thô, khí nén, hệ thống nén khí.
- Quy trình cần độ tin cậy cao & failsafe heavy-duty: Hệ thống điều khiển tự động khi áp suất vượt ngưỡng.
- Hệ thống bơm & đường ống: Giám sát áp suất đầu vào/ra bơm, tránh cavitation hoặc khô bơm.
- Bình áp lực/tank: Báo động mức áp suất an toàn (ví dụ: bình khí nén, bình chứa hóa chất).
Thông số kỹ thuật cơ bản
| Thông số | Giá trị / Chi tiết |
| Kích thước mặt số | 100 mm hoặc 160 mm |
| Độ chính xác | ±1.0% full scale |
| Dải đo | -0.1 ~ 0 đến 0 ~ 200 MPa |
| Áp suất làm việc | Steady: 100% FS |
| Over range: 130% FS | |
| Nhiệt độ môi trường | -40 ~ +65 °C C |
| (-40 ~ +65 °C với silicone fill) | |
| Nhiệt độ chất đo | Max. 200 °C |
| (Max. 100 °C với silicone fill) | |
| Bảo vệ | IP67 (EN60529/IEC529) |
| Ảnh hưởng nhiệt độ | ±0.4% FS / 10 °C (so với 20 °C) |
| Vật liệu kết nối áp suất | 316SS (tiêu chuẩn), tùy chọn 316LSS hoặc Monel |
| Ống Bourdon | 316SS: C-type (<10 MPa), Helical-type (≥10 MPa) |
| Vỏ & bezel | 304SS, Bayonet type |
| Kết nối điện | M20 × 1.5 |
| Kết nối process | 3/8″, 1/2″ PT / NPT / PF / BSP / BSPT (tùy chọn) |
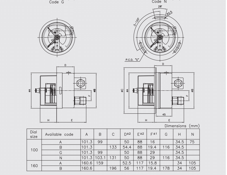
Kích thước của đồng hồ


Tham khảo Catalog chi tiết ở đây: Catalog Đồng hồ áp suất Wise P500
Nguyên lý hoạt động của Đồng hồ áp suất Wise P500
-
- Phần đo áp suất cơ bản (giống đồng hồ Bourdon thông thường):
- Áp suất chất lỏng/khí truyền vào ống Bourdon (C-type <10 MPa hoặc helical-type ≥10 MPa, làm bằng 316SS).
- Ống Bourdon bị biến dạng → làm quay trục → kim chỉ di chuyển trên mặt số → hiển thị áp suất cục bộ (độ chính xác ±1.0%).
- Phần tiếp điểm cảm ứng (inductive contact – không tiếp xúc):
- Trên mặt số gắn cảm biến khe (slot sensor) của Pepperl+Fuchs (SJ2N cho Ø100mm, SJ3.5N cho Ø160mm).
- Kim chỉ gắn thêm control vane (cánh kim loại mỏng).
- Khi kim di chuyển đến vị trí setpoint (ngưỡng đã điều chỉnh bằng núm ngoài), control vane đi vào khe cảm biến → thay đổi trường điện từ → cảm biến phát hiện (không chạm cơ học).
- Tín hiệu từ cảm biến → qua safety barrier (KFA6-SR2-Ex1.W hoặc Ex2.W) → kích hoạt relay output (NO/NC) để báo động hoặc điều khiển (high/low alarm, failsafe…).
- Phần đo áp suất cơ bản (giống đồng hồ Bourdon thông thường):
Tính năng đặc biệt
-
- Tiếp điểm inductive không tiếp xúc → không mòn, không ảnh hưởng độ chính xác.
- Điều chỉnh setpoint ngoài bằng núm trên kính.
- Chứng nhận Ex ia IIC T6 (Zone 0/1/2 với safety barrier).
- Kết hợp liquid filled, chịu rung tốt.
Liên hệ mua hàng và hỗ trợ tư vấn kỹ thuật
-
- CÔNG TY TNHH KỸ THUẬT QBS
- MST : 0318810101
- HOTLINE : 0939 487 487
- EMAIL : info@qbsco.vn
Sản phẩm tương tự
Thiết bị đo lường
Lưu lượng kế nhựa PMBC
Thiết bị đo lường
PROMAG E 100 – LƯU LƯỢNG KẾ ĐIỆN TỪ
Thiết bị đo lường
PROMAG H 500 – LƯU LƯỢNG KẾ ĐIỆN TỪ
Thiết bị đo lường

