Đồng hồ áp suất Wise P535, P536
| Tên sản phẩm | Đồng hồ áp suất Wise |
| Model | P535, P536 |
| Thương hiệu | WISE |
| Xuất xứ | Hàn Quốc |
| Phân phối | Công Ty TNHH Kỹ Thuật QBS |
| Xem catalog sản phẩm | Catalog Đồng hồ áp suất Wise P535, P536 |
Mô tả
Đồng hồ áp suất Wise P535, P536 là dòng đồng hồ áp suất chỉ thị kết hợp công tắc áp suất (micro contact type), có mặt số hiển thị trực tiếp áp suất và công tắc điện (1 hoặc 2 SPDT) để kích hoạt báo động / điều khiển tại điểm đặt cố định.
Ứng dụng của Đồng hồ áp suất Wise P535, P536
-
- Công nghiệp hóa chất & hóa dầu: Giám sát áp suất trong bồn phản ứng hóa học (reactors) chứa acid mạnh (H₂SO₄, HCl), kiềm (NaOH), dung môi hữu cơ.
- Dầu khí (Oil & Gas): Giám sát áp suất đường ống dẫn dầu thô / khí tự nhiên → kích hoạt shut-down valve nếu áp suất bất thường.
- Lọc hóa dầu: Distillation columns (cột chưng cất) theo dõi áp suất tại các tầng, báo động nếu áp suất thay đổi đột ngột (ngăn chập cháy nổ).
- Máy ép thủy lực công nghiệp: Đo áp suất dầu thủy lực cao (lên đến 35 MPa), báo động nếu áp suất vượt giới hạn.
- Hệ thống hơi nước: Giám sát áp suất boiler / turbine inlet → báo động high/low để bảo vệ turbine và an toàn vận hành.
Thông số kỹ thuật cơ bản
| Thông số | Chi tiết |
| Model | P535 (1 setpoint) / P536 (2 setpoint) |
| Đường kính mặt số | 100 mm hoặc 150 mm |
| Độ chính xác chỉ thị | ±1.0% full scale |
| Độ chính xác setpoint | ±3.0% full scale |
| Repeatability | ±1.0% adjustable range |
| Dải đo (adjustable range) | -0.1…0 đến -0.1…2 Mpa |
| 0…0.1 đến 0…35 MPa (tùy bar/kPa) | |
| Deadband | Cố định (fixed) |
| Nhiệt độ môi trường | -20…+65 °C |
| Nhiệt độ chất lỏng | Tối đa 100 °C |
| Bảo vệ | IP55 (chỉ 150 mm) |
| Phần tiếp xúc chất lỏng | 316SS (Bourdon tube C-type + connection) |
| Kết nối process | ½”, ¾” PT / NPT / PF |
| Contact | Micro contact SPDT (1 hoặc 2 cái) |
| Contact rating (150 mm) | AC 125/250V: 15A (resistive) |
| DC 125V: 0.4A (resistive), 0.03A (inductive) | |
| Contact rating (100 mm) | AC 125/250V: 3–5A |
| DC 30V: 4A, DC 125/250V: 0.2–0.4A |
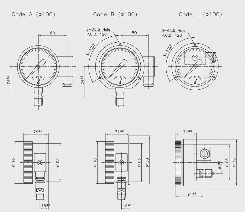
Kích thước của đồng hồ


Tham khảo Catalog chi tiết ở đây: Catalog Đồng hồ áp suất Wise P535, P536
Nguyên lý hoạt động của Đồng hồ áp suất Wise P535, P536
-
- Áp suất quá trình (process pressure) từ chất lỏng/khí ăn mòn đi vào C-type Bourdon tube (ống Bourdon hình chữ C làm bằng 316SS) → Áp suất làm ống Bourdon cong thẳng ra (unwind/straighten) tỷ lệ với áp suất tăng.
- Chuyển động của đầu tự do Bourdon tube được phóng đại qua cơ cấu cơ khí (linkage/gear) → Kim chỉ thị (pointer) trên mặt số quay để hiển thị áp suất trực tiếp (±1.0% FS).
- Đồng thời, chuyển động này tác động lên 1 hoặc 2 micro switch (SPDT) được đặt cố định tại setpoint (điểm đặt) → Khi áp suất đạt setpoint (tăng hoặc giảm), micro switch chuyển trạng thái (từ NO sang NC hoặc ngược lại), đóng/mở mạch điện → kích hoạt báo động/điều khiển (alarm, pump on/off, valve…).
- Deadband cố định (hysteresis cố định): Áp suất phải giảm (hoặc tăng) một lượng nhất định so với setpoint mới reset switch → tránh chập chờn (chattering).
Tính năng đặc biệt
-
- Chịu ăn mòn & áp cao: 316SS Bourdon tube + connection, lên đến 35 MPa (350 bar).
- Kết hợp chỉ thị + công tắc: Analog hiển thị (±1.0% FS) + micro contact SPDT (1 setpoint P535 / 2 setpoint P536).
- Deadband cố định: Ổn định, tránh chập chờn.
- Micro contact đáng tin cậy: Gold alloy crossbar, repeatability ±1.0%, chịu tải lớn (150 mm: AC 15A/250V).
Liên hệ mua hàng và hỗ trợ tư vấn kỹ thuật
-
- CÔNG TY TNHH KỸ THUẬT QBS
- MST : 0318810101
- HOTLINE : 0939 487 487
- EMAIL : info@qbsco.vn
Sản phẩm tương tự
Thiết bị đo lường
PROMAG H 300 – LƯU LƯỢNG KẾ ĐIỆN TỪ
Thiết bị đo lường
PROMAG H 100 – LƯU LƯỢNG KẾ ĐIỆN
Thiết bị đo lường
PROMAG E 100 – LƯU LƯỢNG KẾ ĐIỆN TỪ
Thiết bị đo lường

