Đồng hồ áp suất Wise P542, P543
| Tên sản phẩm | Đồng hồ áp suất Wise |
| Model | P542, P543 |
| Thương hiệu | WISE |
| Xuất xứ | Hàn Quốc |
| Phân phối | Công Ty TNHH Kỹ Thuật QBS |
| Xem catalog sản phẩm | Catalog Đồng hồ áp suất Wise P542, P543 |
Mô tả
Đồng hồ áp suất Wise P542, P543 được thiết kế để đọc áp suất đo tại chỗ và được trang bị khối tiếp điểm điện cho phép sử dụng tất cả các tổ hợp tiếp điểm. Khối tiếp điểm được gắn trên mặt số. Cửa sổ được trang bị núm vặn để điều chỉnh điểm đặt từ bên ngoài. Chúng cũng được thiết kế để dẫn hướng sự rò rỉ dầu cách điện bên trong cáp điện.
Ứng dụng của Đồng hồ áp suất Wise P542, P543
-
- Đọc trực tiếp áp suất tại chỗ (local reading): Dùng để hiển thị giá trị áp suất đo được ngay tại vị trí lắp đặt.
- Giám sát và điều khiển tự động qua tiếp điểm điện: Trang bị khối tiếp điểm điện cho phép thực hiện tất cả các tổ hợp tiếp điểm (SPST).
- An toàn điện khi sử dụng dầu cách điện: Thiết kế đặc biệt để dẫn dầu cách điện rò rỉ vào bên trong cáp điện, tránh nguy cơ chập cháy.
Thông số kỹ thuật cơ bản
| Thông số | Chi tiết |
| Model | P542 (Dual contact), P543 (Triple contact) |
| Đường kính mặt số | 100 mm hoặc 150 mm |
| Độ chính xác | ±1.0% full scale |
| Phạm vi đo (compound) | -0.1 ~ 0.3 MPa (-1 ~ 3 bar) |
| -0.1 ~ 0.6 MPa (-1 ~ 6 bar) | |
| -0.1 ~ 1 MPa (-1 ~ 10 bar) | |
| Áp suất làm việc ổn định | 75% full scale |
| Bảo vệ quá tải | 130% full scale |
| Nhiệt độ môi trường | -40 ~ +65 °C |
| Nhiệt độ chất lỏng | Tối đa +100 °C |
| Ảnh hưởng nhiệt độ | ±0.4% FS / 10 °C (so với 20 °C) |
| Ống Bourdon & kết nối | Stainless steel 316SS |
| Vỏ (Case) | Nickel plated zinc (P542 100 mm) |
| 316SS (P543 triple, 100/150 mm) | |
| Tiếp điểm | Snap-action, Dual (P542) hoặc Triple (P543) set point |
| Điều chỉnh ngoài qua núm vặn | |
| Kết nối quá trình | 3/8″ PF (radial, bottom entry) |
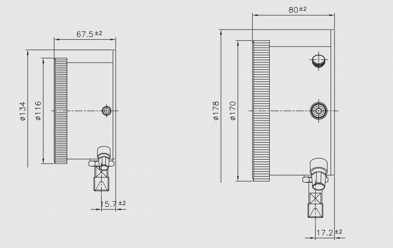
Kích thước của đồng hồ


Tham khảo Catalog chi tiết ở đây: Catalog Đồng hồ áp suất Wise P542, P543
Nguyên lý hoạt động của Đồng hồ áp suất Wise P542, P543
-
- Phần đo cơ học: Áp suất làm ống Bourdon (C-type) cong ra → truyền động qua bộ truyền → kim chỉ quay hiển thị áp suất trên mặt số.
- Phần tiếp điểm snap-action (từ tính):
- Kim chỉ thực tế di chuyển → khi gần đạt kim đặt ngưỡng (có thể chỉnh ngoài), nam châm vĩnh cửu hút đột ngột cánh tay tiếp điểm → tiếp điểm đóng/mở mạch điện ngay lập tức (snap/jump).
- Khi rời ngưỡng, lực ống Bourdon vượt từ → tiếp điểm bật ngược đột ngột.
→ Kết quả: Đo + hiển thị áp suất + chuyển mạch điện nhanh, sạch, chịu rung tốt (dual/triple set point), không cần nguồn phụ, chống hồ quang.
Tính năng đặc biệt
-
- Tiếp điểm snap-action (từ tính): Chuyển mạch nhanh, sạch, chống hồ quang, chịu rung/sốc tốt hơn.
- Dual (P542) hoặc Triple (P543) set point: 2 hoặc 3 ngưỡng điều chỉnh độc lập từ ngoài.
- Điều chỉnh set point dễ dàng mà không cần tháo thiết bị.
- IP67 chống bụi/nước mạnh.
Liên hệ mua hàng và hỗ trợ tư vấn kỹ thuật
-
- CÔNG TY TNHH KỸ THUẬT QBS
- MST : 0318810101
- HOTLINE : 0939 487 487
- EMAIL : info@qbsco.vn
Sản phẩm tương tự
Thiết bị đo lường
PROLINE PROMAG P 300 – LƯU LƯỢNG KẾ ĐIỆN TỪ
Thiết bị đo lường
PROMAG H 500 – LƯU LƯỢNG KẾ ĐIỆN TỪ
Thiết bị đo lường
PROMAG W 400 – LƯU LƯỢNG KẾ ĐIỆN TỪ
Thiết bị đo lường

