Đồng hồ áp suất Wise P752S
| Tên sản phẩm | Đồng hồ áp suất Wise |
| Model | P752S |
| Thương hiệu | WISE |
| Xuất xứ | Hàn Quốc |
| Phân phối | Công Ty TNHH Kỹ Thuật QBS |
| Xem catalog sản phẩm | Catalog Đồng hồ áp suất Wise P752S |
Mô tả
Đồng hồ áp suất Wise P752S có màng chắn kết hợp với đồng hồ đo áp suất. Dòng sản phẩm này thích hợp sử dụng trong môi trường có tính ăn mòn, nhiễm bẩn, nóng và nhớt, và có thể được sử dụng trong ngành hóa chất, thực phẩm, đồ uống, sinh hóa và dược phẩm.
Ứng dụng của Đồng hồ áp suất Wise P752S
-
- Ngành hóa chất: Đo áp suất trong môi trường ăn mòn hoặc ô nhiễm, nơi cần chống chịu hóa chất mạnh.
- Ngành thực phẩm: Sử dụng cho các quy trình sản xuất thực phẩm đòi hỏi vệ sinh cao, tránh ô nhiễm và dễ dàng vệ sinh bằng CIP/SIP.
- Ngành đồ uống: Áp dụng trong sản xuất nước giải khát, bia rượu, nơi chất lỏng nhớt hoặc nóng cần được đo chính xác mà không làm ô nhiễm sản phẩm.
- Ngành sinh hóa: Đo áp suất trong các quá trình sinh học, nơi môi trường có thể chứa chất ô nhiễm sinh học hoặc nhớt.
- Ngành dược phẩm: Sử dụng cho sản xuất thuốc, đảm bảo vô trùng, chống ăn mòn từ hóa chất và chịu nhiệt độ cao lên đến 121°C.
Thông số kỹ thuật cơ bản
| Thông số | Giá trị / Chi tiết |
| Đường kính mặt số | 50 mm, 63 mm, 80 mm, 100 mm |
| Độ chính xác | ±3.0% (50 mm) |
| ±1.6% (63 & 80 mm) | |
| ±1.0% (100 mm) | |
| Phạm vi đo | -0.1…0 MPa đến 0…5 Mpa |
| Áp suất làm việc | Steady: 75% FS |
| Fluctuating: 67% FS | |
| Nhiệt độ làm việc | Môi trường: -25…+65 °C |
| Chất lỏng: tối đa 121 °C | |
| Ảnh hưởng nhiệt độ | ±0.5% FS / mỗi 10 °C (so với 20 °C) |
| Kết nối quá trình | ¾”, 1″, 1½”, 2″ Tri-Clamp |
| Retainer flange, DRD Flange (DN50) | |
| Vật liệu màng ngăn & thân | 316L SS, Hastelloy C276 |
| Độ nhám bề mặt | ≤ Ra 0.7 µm |
| Vỏ & nắp | Inox 304 (electropolished, có van xả áp) |
| Nắp: Polycarbonate (50 mm) hoặc Inox 304 | |
| Chất lỏng truyền áp | Dầu thực phẩm (FDA certified) |
| Helium leak rate | < 10⁻⁶ mbar·l/sec |
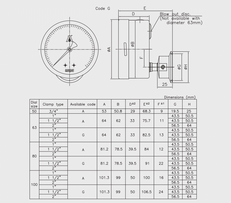
Kích thước của đồng hồ


Tham khảo Catalog chi tiết ở đây: Catalog Đồng hồ áp suất Wise P752S
Nguyên lý hoạt động của Đồng hồ áp suất Wise P752S
-
- Màng ngăn (diaphragm) (làm từ 316L SS hoặc Hastelloy C276) tiếp xúc trực tiếp với chất lỏng/chất khí quá trình (có thể ăn mòn, nhớt, nóng, ô nhiễm).
- Khi áp suất từ môi trường quá trình tác dụng lên màng ngăn → màng ngăn biến dạng (cong lên hoặc xuống) tỷ lệ với áp suất.
- Khoảng không giữa màng ngăn và bộ phận đo được đổ đầy chất lỏng truyền áp (food grade oil, FDA certified) → truyền áp suất thủy lực (không có ma sát lớn) sang cơ cấu đo bên trong đồng hồ.
- Cơ cấu đo (movement stainless steel) chuyển biến dạng thành chuyển động quay → kim chỉ thị trên mặt số hiển thị giá trị áp suất.
Tính năng đặc biệt
-
- Chứng nhận 3-A (tiêu chuẩn vệ sinh thực phẩm).
- Phù hợp SIP (khử trùng tại chỗ) và CIP (làm sạch tại chỗ).
- Toàn bộ thép không gỉ và hàn kín.
- Kết nối quá trình flush, aseptic (vô trùng, phẳng).
Liên hệ mua hàng và hỗ trợ tư vấn kỹ thuật
-
- CÔNG TY TNHH KỸ THUẬT QBS
- MST : 0318810101
- HOTLINE : 0939 487 487
- EMAIL : info@qbsco.vn
Sản phẩm tương tự
Thiết bị đo lường
PROMAG 800 – LƯU LƯỢNG KẾ ĐIỆN TỪ
Thiết bị đo lường
PROMAG W 400 – LƯU LƯỢNG KẾ ĐIỆN TỪ
Thiết bị đo lường
PROLINE PROMAG P 300 – LƯU LƯỢNG KẾ ĐIỆN TỪ
Thiết bị đo lường

