Đồng hồ áp suất Wise P753S
| Tên sản phẩm | Đồng hồ áp suất Wise |
| Model | P753S |
| Thương hiệu | WISE |
| Xuất xứ | Hàn Quốc |
| Phân phối | Công Ty TNHH Kỹ Thuật QBS |
| Xem catalog sản phẩm | Catalog Đồng hồ áp suất Wise P753S |
Mô tả
Đồng hồ áp suất Wise P753S có màng chắn kết hợp với đồng hồ đo áp suất. Dòng sản phẩm này thích hợp sử dụng trong môi trường có tính ăn mòn, nhiễm bẩn, nóng và nhớt, và có thể được sử dụng trong ngành hóa chất, thực phẩm, đồ uống, sinh hóa và dược phẩm.
Ứng dụng của Đồng hồ áp suất Wise P753S
-
- Môi chất ăn mòn: Dùng khi môi chất có tính ăn mòn cao, màng ngăn và vật liệu 316L SS bảo vệ đồng hồ.
- Môi chất bị ô nhiễm hoặc dễ gây nhiễm bẩn: Ngăn môi chất tiếp xúc trực tiếp với cơ cấu đo, tránh nhiễm khuẩn chéo.
- Môi chất nóng: Chịu được nhiệt độ môi chất tối đa 121°C, phù hợp với quy trình thanh trùng/khử trùng.
- Môi chất nhớt, đặc quánh: Màng ngăn giúp đo chính xác ngay cả khi môi chất có độ nhớt cao, dễ kết tủa hoặc bám dính.
- Ngành hóa chất vệ sinh: Các quá trình hóa chất yêu cầu độ sạch cao, không nhiễm bẩn.
- Quy trình CIP/SIP: Chịu được rửa hóa chất tại chỗ và khử trùng bằng hơi nước nóng liên tục.
- Ngành thực phẩm: Sữa, nước giải khát, siro, nước sốt, dầu ăn…
Thông số kỹ thuật cơ bản
| Thông số | Giá trị / Chi tiết |
| Model | P753S Series (Sanitary pressure gauge) |
| Kích thước mặt số | 63 mm hoặc 100 mm |
| Độ chính xác | ±1.6% full scale |
| (±2.0% nếu range < 100 psi) | |
| Phạm vi đo (Scale range) | 0 ~ 3.5 MPa (tương đương 0 ~ 35 bar) |
| Các mức: 0-2/4/6/10/15/20/25/35 bar | |
| Áp suất làm việc | Steady: 75% full scale |
| Fluctuating: 67% full scale | |
| Nhiệt độ hoạt động | Môi trường: -20 ~ 65 °C |
| Môi chất: Max. 121 °C | |
| Hiệu ứng nhiệt độ | ±0.5% full scale / mỗi 10 °C lệch khỏi 20 °C |
| Kết nối quá trình | DIN Round thread 28-8 (Male) |
| Vật liệu thân & kết nối | 316SS |
| Màng ngăn (Diaphragm) | 316L SS (electropolished tùy chọn) |
| Vỏ & nắp | 304SS, electropolished, có van xả áp |
| Kính | Safety glass |
| Chất lỏng truyền áp | Dầu thực phẩm (Food grade oil, FDA certified) |
| Gioăng | Viton (FDA approved) |
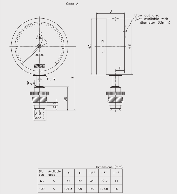
Kích thước của đồng hồ

Tham khảo Catalog chi tiết ở đây: Catalog Đồng hồ áp suất Wise P753S
Nguyên lý hoạt động của Đồng hồ áp suất Wise P753S
-
- Môi chất (chất lỏng/khí) tác động lên màng ngăn 316L SS (không tiếp xúc trực tiếp với cơ cấu đo).
- Màng ngăn bị biến dạng → truyền áp suất qua chất lỏng truyền áp (food-grade oil) bên trong hệ thống kín.
- Chất lỏng đẩy ống Bourdon (stainless steel) bên trong đồng hồ → ống Bourdon bung ra theo áp suất.
- Chuyển động của ống Bourdon được cơ cấu bánh răng truyền đến kim chỉ thị → kim quay trên mặt số để hiển thị giá trị áp suất.
- Toàn bộ hệ thống kín, hàn kín, đảm bảo vệ sinh và không nhiễm bẩn.
Tính năng đặc biệt
-
- Chứng nhận 3-A (tiêu chuẩn vệ sinh Mỹ cho thực phẩm/dược).
- Phù hợp SIP (khử trùng hơi) và CIP (rửa tại chỗ).
- Toàn bộ thép không gỉ + hàn kín (all stainless steel & welded construction).
Liên hệ mua hàng và hỗ trợ tư vấn kỹ thuật
-
- CÔNG TY TNHH KỸ THUẬT QBS
- MST : 0318810101
- HOTLINE : 0939 487 487
- EMAIL : info@qbsco.vn
Sản phẩm tương tự
Thiết bị đo lường
Đầu dò đo mực nước Gestra NRGT 26-2
Thiết bị đo lường
PROMAG D 10 – LƯU LƯỢNG KẾ ĐIỆN TỪ
Thiết bị đo lường
PROMAG W 10 – LƯU LƯỢNG KẾ ĐIỆN TỪ
Thiết bị đo lường

