Đồng hồ chênh áp Wise P601, P602
| Tên sản phẩm | Đồng hồ chênh áp Wise |
| Model | P601, P602 |
| Thương hiệu | WISE |
| Xuất xứ | Hàn Quốc |
| Phân phối | Công Ty TNHH Kỹ Thuật QBS |
| Xem catalog sản phẩm | Catalog Đồng hồ chênh áp Wise P601, P602 |
Mô tả
Đồng hồ chênh áp Wise P601, P602 được thiết kế để đo áp suất chênh lệch từ 5 kPa đến 1,5 MPa ở áp suất làm việc tối đa lên đến 5 MPa. Các dòng sản phẩm P601 đến P602 được thiết kế để điều khiển và cảnh báo áp suất chênh lệch, giúp xác định thời điểm thích hợp để thay thế bộ lọc khí và bộ lọc bùn trong quá trình vận hành.
Ứng dụng của Đồng hồ chênh áp Wise P601, P602
-
- Giám sát và báo động thay thế bộ lọc không khí: Theo dõi độ sụt áp qua bộ lọc khí nén, hệ thống HVAC, máy nén khí, máy lọc bụi.
- Giám sát và báo động thay thế bộ lọc bùn: Dùng trong hệ thống xử lý nước thải, lọc bùn công nghiệp, lọc chất lỏng chứa cặn.
- Báo động mức áp suất chênh lệch cao: Dùng để kích hoạt đèn báo, còi hú, dừng bơm, hoặc gửi tín hiệu PLC/SCADA.
- Báo động hai mức cao hoặc hai mức thấp: Dùng trong hệ thống cần cảnh báo sớm (pre-alarm) và cảnh báo khẩn cấp.
- Tích hợp tự động hóa: Tiếp điểm điện có thể kết nối trực tiếp với PLC, relay, hệ thống SCADA.
Thông số kỹ thuật cơ bản
| Thông số | Giá trị / Chi tiết |
| Model | P601 (Single contact), P602 (Dual contact) |
| Kích thước mặt số | 100 mm hoặc 160 mm |
| Độ chính xác | ±1.0% FS hoặc ±1.5% / ±1.6% FS |
| Phạm vi đo (Scale range) | 0~30 kPa đến 0~50 kPa |
| 0~0.1 MPa đến 0~1.5 Mpa | |
| Áp suất tĩnh tối đa | 5 MPa |
| Phần tử đo | Single Bellows (Inox 316L) |
| Vật liệu kết nối áp | Inox 316SS |
| Vỏ & nắp | Inox 304SS, Bayonet type |
| Nhiệt độ làm việc | Môi trường: -20 ~ +65°C |
| Chất lỏng: Max 100°C | |
| Bảo vệ | IP65 (EN60529/IEC529) |
| Tiếp điểm điện | Snap-action, max 250 V, 1 A (ohmic), 30 W / 50 VA |
| Số tiếp điểm | 1 (P601) hoặc 2 (P602) |
| Kết nối process | ¼” NPT(F) (chuẩn), ½” NPT(F) với manifold |
| Kết nối điện | M20 × 1.5P (chuẩn) |
| Phụ kiện tiêu chuẩn | Giá đỡ gắn ống 2″ (thép mạ) |
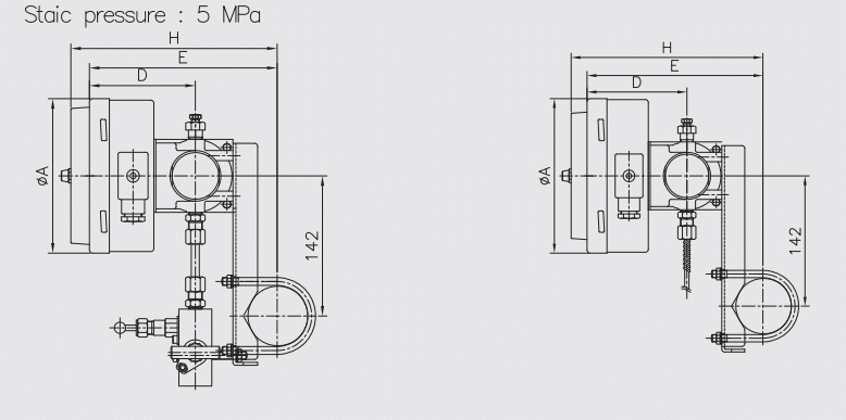
Kích thước của đồng hồ


Tham khảo Catalog chi tiết ở đây: Catalog Đồng hồ chênh áp Wise P601, P602
Nguyên lý hoạt động của Đồng hồ chênh áp Wise P601, P602
-
- Sử dụng phần tử đo là single bellows (ống bellows đơn bằng inox 316L) để cảm nhận chênh lệch áp suất giữa 2 đầu vào (High side và Low side).
- Áp suất cao (HIGH) được đưa vào bên trong bellows → tạo lực đẩy bellows giãn ra.
- Áp suất thấp (LOW) được đưa vào bên ngoài bellows (buồng chứa) → tạo lực nén ngược lại.
- Lực chênh lệch (do ΔP = P_high – P_low) làm bellows giãn/nén theo tỷ lệ với áp suất chênh lệch → chuyển động trục dọc.
- Chuyển động này qua hệ thống liên kết cơ khí (linkage) → làm kim chỉ di chuyển trên mặt số → hiển thị giá trị chênh áp trực tiếp (0 → full scale).
- Tiếp điểm điện (snap-action contact) gắn với kim chỉ: Khi kim chỉ đạt đến vị trí setpoint (đã cài sẵn), nam châm vĩnh cửu kích hoạt tiếp điểm nhảy đột ngột (snap) → đóng/mở mạch điện → kích hoạt báo động (high/low alarm), relay, PLC…
Tính năng đặc biệt
-
- Single bellows: Chịu áp suất tĩnh cao đến 5 MPa (rất tốt cho hệ thống áp cao nhưng ΔP nhỏ)
- Tiếp điểm điện snap-action: Chống rung/sốc tốt, chuyển mạch nhảy đột ngột, tăng độ tin cậy & tuổi thọ tiếp điểm
- Single (P601) hoặc Dual contact (P602): Hỗ trợ nhiều chế độ báo động: High only, Low only, High+Low, High-High, Low-Low
- Chịu môi trường khắc nghiệt: Vỏ & kết nối inox 304/316, IP65, fluid max 100°C, ambient -20~65°C
Liên hệ mua hàng và hỗ trợ tư vấn kỹ thuật
-
- CÔNG TY TNHH KỸ THUẬT QBS
- MST : 0318810101
- HOTLINE : 0939 487 487
- EMAIL : info@qbsco.vn
Sản phẩm tương tự
Thiết bị đo lường
PROMAG H 500 – LƯU LƯỢNG KẾ ĐIỆN TỪ
Thiết bị đo lường
PROMAG D 10 – LƯU LƯỢNG KẾ ĐIỆN TỪ
Thiết bị đo lường
PROLINE PROWIRl D 200 – LƯU LƯỢNG KẾ XOÁY
Thiết bị đo lường

