Đồng hồ chênh áp Wise P621, P622
| Tên sản phẩm | Đồng hồ chênh áp Wise |
| Model | P621, P622 |
| Thương hiệu | WISE |
| Xuất xứ | Hàn Quốc |
| Phân phối | Công Ty TNHH Kỹ Thuật QBS |
| Xem catalog sản phẩm | Catalog Đồng hồ chênh áp Wise P621, P622 |
Mô tả
Đồng hồ chênh áp Wise P621, P622 được thiết kế để đo áp suất chênh lệch từ 30 kPa đến 1,5 MPa ở áp suất làm việc tối đa lên đến 5 MPa. Các dòng sản phẩm P621 đến P622 được thiết kế để điều khiển và cảnh báo áp suất chênh lệch, giúp xác định thời điểm thích hợp để thay thế bộ lọc khí và bộ lọc bùn trong quá trình vận hành.
Ứng dụng của Đồng hồ chênh áp Wise P621, P622
-
- Giám sát áp suất chênh lệch qua bộ lọc không khí: Phát hiện khi lọc bị tắc nghẽn do bụi bẩn, đưa ra báo động để thay thế kịp thời.
- Giám sát áp suất chênh lệch qua bộ lọc bùn: Theo dõi mức độ tích tụ bùn, cặn trong lọc để quyết định thời điểm thay lọc.
- Cung cấp tín hiệu báo động chính xác: Giúp người vận hành biết chính xác thời điểm phải thay thế bộ lọc, tránh lọc bị tắc gây giảm lưu lượng, tăng tiêu thụ năng lượng.
Thông số kỹ thuật cơ bản
| Thông số | Giá trị / Chi tiết |
| Model | P621 (1 tiếp điểm), P622 (2 tiếp điểm) |
| Đường kính danh nghĩa | 150 mm |
| Độ chính xác | ±1.0% FS (tùy chọn cao cấp) hoặc ±1.5% / ±1.6% FS |
| Phạm vi đo (Scale range) | 0~30 kPa đến 0~50 kPa |
| 0~0.1 MPa đến 0~1.5 Mpa | |
| (tương đương bar, kPa, mbar) | |
| Áp suất làm việc tối đa (Static pressure) | 5 MPa |
| Nhiệt độ làm việc | Môi trường: -20 ~ 65°C |
| Chất lỏng: Tối đa 100°C | |
| Độ bảo vệ | IP56 (EN60529/IEC529) |
| Ảnh hưởng nhiệt độ | ±0.5% FS / mỗi 10°C (so với 20°C) |
| Phần tử cảm biến | Single Bellows, 316L SS |
| Kết nối áp suất | 1/4″ NPT(F) (chuẩn) |
| 1/2″ NPT(F) với manifold 3/5-way | |
| Tiếp điểm điện | Micro switch SPDT, 1 (P621) hoặc 2 (P622) |
| Rating: AC 250V 3A / 125V 5A; DC 250V 0.2A… | |
| Vật liệu vỏ | Nhôm sơn đen |
| Kết nối điện | M20×1.5P (chuẩn) |
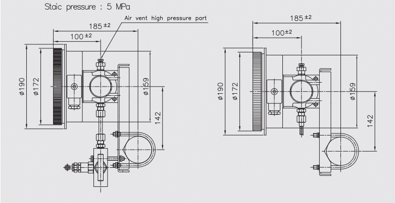
Kích thước của đồng hồ


Tham khảo Catalog chi tiết ở đây: Catalog Đồng hồ chênh áp Wise P621, P622
Nguyên lý hoạt động của Đồng hồ chênh áp Wise P621, P622
-
- Hai cổng áp suất (High và Low) được nối vào hai đầu của bellows → áp suất chênh lệch (ΔP) tạo lực đẩy/pull lên bellows.
- Bellows giãn/nén theo ΔP → tạo chuyển động cơ học (axial movement) → truyền qua cơ cấu liên kết (linkage) đến:
- Kim chỉ thị trên mặt đồng hồ Ø150 mm → hiển thị giá trị ΔP trực tiếp (chức năng indicating/gauge).
- Micro switch (1 hoặc 2 cái, SPDT) → khi ΔP đạt ngưỡng cài đặt (setpoint), micro switch bật/tắt tiếp điểm điện → phát tín hiệu báo động hoặc điều khiển (High alarm, Low alarm, High+Low, v.v.).
- Lò xo đối kháng (range spring) điều chỉnh ngưỡng kích hoạt và giữ cân bằng.
Tính năng đặc biệt
-
- Kết hợp 3 trong 1: Đo + hiển thị trực tiếp (mặt đồng hồ Ø150 mm) + báo động điện (micro switch SPDT).
- Chịu áp tĩnh cao: Lên đến 5 MPa (rất tốt cho hệ thống áp suất cao).
- Single bellows 316L SS: Cảm biến bền, chống ăn mòn tốt.
- P621: 1 tiếp điểm (thường High alarm).
- P622: 2 tiếp điểm → linh hoạt cấu hình (High + Low, 2 High, 2 Low alarm).
Liên hệ mua hàng và hỗ trợ tư vấn kỹ thuật
-
- CÔNG TY TNHH KỸ THUẬT QBS
- MST : 0318810101
- HOTLINE : 0939 487 487
- EMAIL : info@qbsco.vn
Sản phẩm tương tự
Thiết bị đo lường
Lưu lượng kế nhựa PMBC
Thiết bị đo lường
Đồng hồ nhiệt độ KINS – KOREA
Thiết bị đo lường
PROMAG W 10 – LƯU LƯỢNG KẾ ĐIỆN TỪ
Thiết bị đo lường

