Đồng hồ chênh áp Wise P690
| Tên sản phẩm | Đồng hồ chênh áp Wise |
| Model | P690 |
| Thương hiệu | WISE |
| Xuất xứ | Hàn Quốc |
| Phân phối | Công Ty TNHH Kỹ Thuật QBS |
| Xem catalog sản phẩm | Catalog Đồng hồ chênh áp Wise P690 |
Mô tả
Đồng hồ chênh áp Wise P690 được thiết kế để đo áp suất chênh lệch từ 25 kPa đến 2,0 MPa ở áp suất tĩnh lên đến 10 MPa và có tiếp điểm cảm ứng. Dòng P690 được thiết kế để điều khiển cảnh báo áp suất chênh lệch, cung cấp thời điểm thích hợp để thay thế bộ lọc không khí và bùn trong quá trình vận hành.
Ứng dụng của Đồng hồ chênh áp Wise P690
-
- Giám sát tình trạng bộ lọc khí: Đo chênh áp trước/sau bộ lọc khí nén, khí thải, hệ thống thông gió.
- Giám sát bộ lọc bùn/chất lỏng: Theo dõi chênh áp trong hệ thống xử lý nước thải, bùn công nghiệp, lọc dầu.
- Hệ thống lọc trong ngành hóa chất: Giám sát bộ lọc hóa chất, lọc dung môi, lọc tạp chất trong đường ống.
- Ngành dầu khí: Đo chênh áp ở bộ lọc nhiên liệu, lọc dầu thô, lọc khí tự nhiên.
- Giám sát bộ lọc trong hệ thống HVAC công nghiệp/phòng sạch: Theo dõi chênh áp qua bộ lọc HEPA hoặc lọc khí trong nhà máy dược, thực phẩm.
- Kiểm soát mức chất lỏng gián tiếp: Đo chênh áp giữa đáy và đỉnh bình chứa (tank).
Thông số kỹ thuật cơ bản
| Thông số | Giá trị / Chi tiết |
| Model | P691 (thấp) / P692 (cao) |
| Đường kính mặt | 160 mm |
| Độ chính xác | ±1.6% full scale |
| Dải đo chênh áp | 0 ~ 25 kPa đến 0 ~ 0.25 MPa (P691) |
| 0 ~ 0.4 MPa đến 0 ~ 2 MPa (P692) | |
| Áp suất tĩnh tối đa (Static) | 10 MPa |
| Nhiệt độ môi trường | -20 ~ +65 °C (thông thường) |
| -40 ~ +65 °C (silicone filling) | |
| Nhiệt độ chất đo | Tối đa 100 °C |
| Bảo vệ | IP67 |
| Phần tử đo | Bellows 316L SS |
| Vật liệu nối áp | 316 SS |
| Vỏ & nắp | 304 SS, bayonet type |
| Tiếp điểm | Inductive (non-contact, Pepperl+Fuchs SJ3.5N) |
| Chứng nhận chống nổ | Ex ia IIC T6 Ga (NEPSI), KCS Ex ia IIC T6 |
| Kết nối process | ¼” NPT(F) (chuẩn) |
| Kết nối điện | M20 × 1.5P (chuẩn) |
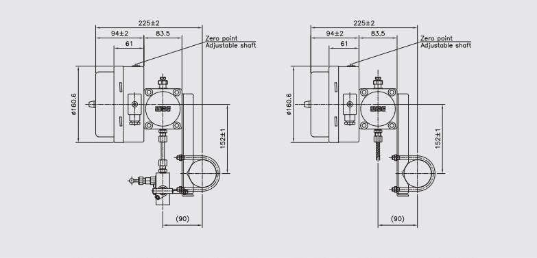
Kích thước của đồng hồ


Tham khảo Catalog chi tiết ở đây: Catalog Đồng hồ chênh áp Wise P690
Nguyên lý hoạt động của Đồng hồ chênh áp Wise P690
-
- Đo chênh áp: Áp suất cao (HIGH) và thấp (LOW) tác động hai bên bellows → bellows giãn/nén → kim chỉ quay trên mặt số.
- Báo động inductive (không tiếp xúc)
- Kim chỉ gắn control vane (cánh kim loại).
- Khi vane đi vào/ra khe cảm biến inductive (Pepperl+Fuchs SJ3.5N) → thay đổi trường điện từ → tạo tín hiệu NAMUR (dòng thay đổi 1.2–2.1 mA).
- Xử lý tín hiệu: Tín hiệu đi qua safety barrier (KFA6-SR2-Ex…) → khuếch đại → kích hoạt relay báo động (high/low/failsafe).
Tính năng đặc biệt
-
- Tiếp điểm inductive: Tuổi thọ cao, không mài mòn, ít ảnh hưởng độ chính xác (±1.6%).
- An toàn khu vực nguy hiểm: Chứng nhận Ex ia IIC T6 Ga, dùng safety barrier Pepperl+Fuchs KFA6.
- Chịu áp tĩnh cao: Max. 10 MPa (static pressure), dải chênh áp 25 kPa ~ 2 MPa.
- Failsafe & heavy duty: Hỗ trợ double contact (high/low, failsafe I-12), lead breakage detection.
Liên hệ mua hàng và hỗ trợ tư vấn kỹ thuật
-
- CÔNG TY TNHH KỸ THUẬT QBS
- MST : 0318810101
- HOTLINE : 0939 487 487
- EMAIL : info@qbsco.vn
Sản phẩm tương tự
Thiết bị đo lường
PROMAG W 400 – LƯU LƯỢNG KẾ ĐIỆN TỪ
Thiết bị đo lường
PROMAG D 10 – LƯU LƯỢNG KẾ ĐIỆN TỪ
Thiết bị đo lường
Đầu dò đo mực nước Gestra NRGT 26-2s
Thiết bị đo lường

