Đồng hồ chênh áp Wise P880
| Tên sản phẩm | Đồng hồ chênh áp Wise |
| Model | P880 |
| Thương hiệu | WISE |
| Xuất xứ | Hàn Quốc |
| Phân phối | Công Ty TNHH Kỹ Thuật QBS |
| Xem catalog sản phẩm | Catalog Đồng hồ chênh áp Wise P880 |
Mô tả
Đồng hồ chênh áp Wise P880 được sử dụng để đo áp suất không khí và khí trong ống dẫn, lưu lượng gió lò nung, phòng áp suất âm, cũng như áp suất chênh lệch của bộ lọc, ống Venturi, v.v. Đồng hồ đo này có chất lượng cao, giá thành thấp, hình thức đẹp và phạm vi thang đo rộng.
Ứng dụng của Đồng hồ chênh áp Wise P880
-
- Theo dõi tình trạng bộ lọc: Đo chênh áp qua bộ lọc không khí trong hệ thống HVAC, AHU, lọc HEPA, túi lọc bụi.
- Đo draft/áp suất hút trong lò đốt: Đo áp suất âm hoặc chênh áp nhỏ ở lò hơi, lò nung, lò đốt công nghiệp.
- Duy trì áp suất âm trong phòng: Sử dụng trong phòng cách ly bệnh nhân, phòng áp lực âm bệnh viện, phòng thí nghiệm.
- Đo chênh áp qua ống Venturi: Đo lưu lượng khí/không khí bằng nguyên lý Venturi (chênh áp trước/sau cổ hẹp).
- Hệ thống HVAC & thông gió công nghiệp: Đo chênh áp qua quạt gió (blower/fan pressure), van gió, hoặc kiểm soát lưu lượng không khí.
Thông số kỹ thuật cơ bản
| Thông số | Giá trị / Chi tiết |
| Model | P880 series (Low differential pressure gauge) |
| Đường kính mặt số | 100 mm |
| Độ chính xác | ±2.0% FS (chuẩn) |
| ±3.0% FS cho dải -5~5, -25~25, 0~10 mm | |
| ±4.0% FS cho 0~3000 mm | |
| Dải đo (scale range) | mmH₂O: ±5 đến ±500, 0~10 đến 0~3000 |
| kPa: -0.25~0.25 đến 0~50 kPa | |
| Áp suất làm việc | Steady: 75% FS |
| Max. protection: 100 kPa | |
| Nhiệt độ hoạt động | Ambient: -10 ~ 60 °C |
| Ảnh hưởng nhiệt độ | ±1.0% FS / mỗi 10 °C (so với 20 °C) |
| Kết nối áp suất | ⅛” NPT(F) (Female) – thường ghi ¼” trong một số mô tả |
| Vật liệu vỏ | Nhôm đúc sơn xám (Gray painted aluminium die casting) |
| Mặt số (Dial) | Nhôm trắng, vạch đen |
| Kim chỉ | Nhôm sơn đen |
| Kính | Acrylic resin |
| Phần tử cảm biến (Element) | Silicone rubber (wetted parts) |
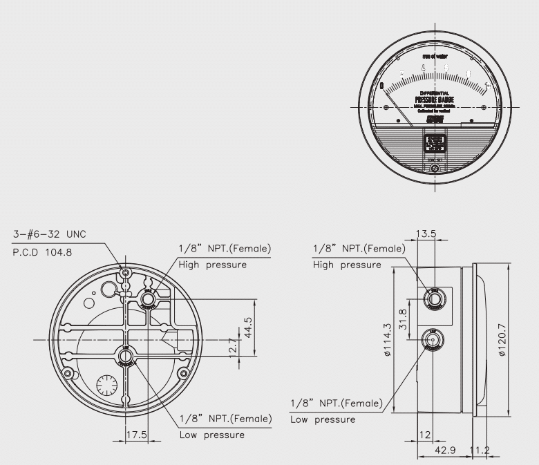
Kích thước của đồng hồ


Tham khảo Catalog chi tiết ở đây: Catalog Đồng hồ chênh áp Wise P880
Nguyên lý hoạt động của Đồng hồ chênh áp Wise P880
-
- Hai đầu nối áp suất (high pressure & low pressure) dẫn khí vào hai phía đối diện của màng silicone.
- Khi áp suất hai bên khác nhau → chênh áp (ΔP) làm màng biến dạng (cong/lõm về phía áp suất thấp hơn).
- Biến dạng này (rất nhỏ, vì dải đo thấp) được truyền qua hệ thống liên kết cơ khí (mechanical linkage) → làm kim chỉ quay trên mặt số.
- Kim chỉ hiển thị trực tiếp giá trị chênh áp (không phải áp suất tuyệt đối), đơn vị mmH₂O hoặc kPa.
Tính năng đặc biệt
-
- Đo chênh áp rất thấp chính xác với dải rộng từ ±5 mmH₂O đến 0~3000 mmH₂O / -0.25~0.25 đến 50 kPa.
- Element silicone rubber (phần tử màng silicone) – nhạy, chịu khí sạch, không ăn mòn.
- Chất lượng cao + giá thấp + ngoại hình đẹp, mặt số lớn 100 mm dễ đọc.
- Bảo vệ overpressure đến 100 kPa, steady pressure 75% FS.
Liên hệ mua hàng và hỗ trợ tư vấn kỹ thuật
-
- CÔNG TY TNHH KỸ THUẬT QBS
- MST : 0318810101
- HOTLINE : 0939 487 487
- EMAIL : info@qbsco.vn
Sản phẩm tương tự
Thiết bị đo lường
PROLINE PROMAG P 300 – LƯU LƯỢNG KẾ ĐIỆN TỪ
Thiết bị đo lường
PROMAG H 500 – LƯU LƯỢNG KẾ ĐIỆN TỪ
Thiết bị đo lường
PROMAG H 100 – LƯU LƯỢNG KẾ ĐIỆN
Thiết bị đo lường

