Đồng hồ đo áp suất kép Wise P336, P338
| Tên sản phẩm | Đồng hồ đo áp suất kép Wise |
| Model | P336, P338 |
| Thương hiệu | WISE |
| Xuất xứ | Hàn Quốc |
| Phân phối | Công Ty TNHH Kỹ Thuật QBS |
| Xem catalog sản phẩm | Catalog Đồng hồ đo áp suất kép Wise P336, P338 |
Mô tả
Đồng hồ đo áp suất kép Wise P336, P338 là thiết bị đo cho phép hiển thị đồng thời hai giá trị áp suất độc lập trên cùng một mặt đồng hồ. Mỗi áp suất được thể hiện bằng kim riêng (thường khác màu), giúp người vận hành so sánh, theo dõi chênh lệch hoặc kiểm soát hai đường áp suất cùng lúc một cách trực quan.
Với WISE P336 (dạng tròn) và P338 (dạng vuông), thiết bị thường được dùng trong các hệ thống phanh khí nén kép, hệ thống công nghiệp cần giám sát hai nguồn áp suất, hoặc các ứng dụng yêu cầu chỉ thị áp suất vi sai trên một mặt hiển thị duy nhất
Ứng dụng của Đồng hồ đo áp suất kép Wise P336, P338
-
- Hệ thống phanh khí nén kép: Giám sát đồng thời áp suất của hai mạch phanh độc lập, phổ biến trên xe tải, xe chuyên dụng.
- Đo và so sánh hai áp suất độc lập: Theo dõi hai nguồn áp suất khác nhau trên cùng một mặt đồng hồ để phát hiện sai lệch.
- Giám sát áp suất vi sai: So sánh chênh lệch áp suất giữa hai đường ống hoặc hai buồng hệ thống.
- Hệ thống khí nén công nghiệp: Kiểm soát áp suất đầu vào – đầu ra của máy nén, bộ lọc, van điều áp.
- Hệ thống thủy lực: Theo dõi áp suất trước và sau thiết bị (bơm, van, bộ trao đổi).
- Ứng dụng trong môi trường công nghiệp khắc nghiệt: Nhà máy hóa chất, dầu khí, năng lượng… nhờ cấu tạo inox và chứng nhận ATEX.
- Hệ thống yêu cầu tiết kiệm không gian lắp đặt: Thay thế hai đồng hồ đơn bằng một đồng hồ kép, giảm chi phí và diện tích lắp đặt.
Thông số kỹ thuật cơ bản
| Thông số | P336 (dạng tròn) | P338 (dạng vuông) |
| Loại thiết bị | Đồng hồ đo áp suất kép (Duplex pressure gauge) | Đồng hồ đo áp suất kép |
| Đường kính danh nghĩa | 100 mm | 110 (W) × 110 (H) mm |
| Dải đo áp suất | 0 ~ 0.4 đến 0 ~ 3.5 MPa | 0 ~ 1 và 0 ~ 1.2 MPa |
| Đơn vị đo | bar / MPa / kPa | bar / MPa / kPa |
| Độ chính xác | ±1.5 % toàn thang đo | ±1.5 % toàn thang đo |
| Áp suất làm việc | 75 % toàn thang | 75 % toàn thang |
| Bảo vệ quá áp | 130 % toàn thang | 130 % toàn thang |
| Nhiệt độ môi trường | -40 ~ +65 °C | -40 ~ +65 °C |
| Nhiệt độ lưu chất | Tối đa 200 °C | Tối đa 200 °C |
| Phần tử đo | Ống Bourdon – Inox 316SS | Ống Bourdon – Inox 316SS |
| Cơ cấu truyền động | Đồng thau (Brass) | Đồng thau (Brass) |
| Vật liệu vỏ | Nhôm sơn đen | Nhựa ABS |
| Kính quan sát | Kính an toàn | Polycarbonate |
| Kết nối quá trình | ⅜” PF | ⅜” PF |
| Chứng nhận | ATEX II 2G / 2D | ATEX II 2G / 2D |
| Ứng dụng tiêu biểu | Phanh khí nén kép, đo áp suất vi sai | Phanh khí nén kép, đo áp suất vi sai |
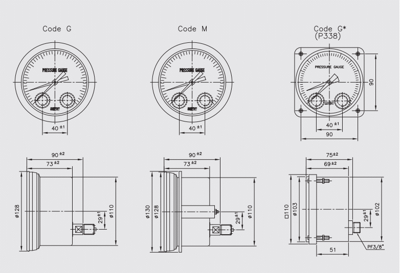
Kích thước của Đồng hồ đo áp suất kép Wise P336, P338


Tham khảo Catalog chi tiết ở đây: Catalog Đồng hồ đo áp suất kép Wise P336, P338
Nguyên lý hoạt động của Đồng hồ đo áp suất kép Wise P336, P338
-
- Hai áp suất độc lập được đưa vào đồng hồ thông qua hai cổng áp suất riêng.
- Mỗi áp suất tác động lên một phần tử đo đàn hồi (ống Bourdon bằng inox 316SS) tương ứng.
- Khi áp suất thay đổi, ống Bourdon biến dạng cơ học (duỗi hoặc cong).
- Chuyển động của mỗi ống Bourdon được truyền qua cơ cấu bánh răng – trục kim riêng biệt.
- Hai kim chỉ thị quay độc lập và hiển thị hai giá trị áp suất trên cùng một mặt số.
- Người vận hành có thể so sánh trực tiếp hai áp suất hoặc quan sát chênh lệch áp suất một cách nhanh chóng, không cần thiết bị phụ trợ.
Tính năng đặc biệt
-
- Đo đồng thời hai áp suất trên một mặt đồng hồ: Dễ so sánh, giám sát và phát hiện chênh lệch áp suất.
- Tiết kiệm không gian lắp đặt: Thay thế hai đồng hồ đơn, giảm diện tích và chi phí lắp đặt.
- Hai kim chỉ thị độc lập, dễ quan sát: Nhận biết nhanh từng đường áp suất, hạn chế nhầm lẫn khi vận hành.
- Độ bền cao, vật liệu chất lượng: Phần tử đo inox 316SS, phù hợp môi trường công nghiệp khắc nghiệt.
Liên hệ mua hàng và hỗ trợ tư vấn kỹ thuật
-
- CÔNG TY TNHH KỸ THUẬT QBS
- MST : 0318810101
- HOTLINE : 0939 487 487
- EMAIL : info@qbsco.vn
Sản phẩm tương tự
Thiết bị đo lường
Đồng hồ nhiệt độ KINS – KOREA
Thiết bị đo lường
PROMAG 800 – LƯU LƯỢNG KẾ ĐIỆN TỪ
Thiết bị đo lường
PROMAG W 400 – LƯU LƯỢNG KẾ ĐIỆN TỪ
Thiết bị đo lường



