Đồng hồ đo áp suất Wise P257
| Tên sản phẩm | Đồng hồ đo áp suất Wise |
| Model | P257 |
| Thương hiệu | WISE |
| Xuất xứ | Hàn Quốc |
| Phân phối | Công Ty TNHH Kỹ Thuật QBS |
| Xem catalog sản phẩm | Catalog Đồng hồ đo áp suất Wise P257 |
Mô tả
Đồng hồ đo áp suất Wise P257 chủ yếu được thiết kế cho các môi trường công nghiệp đòi hỏi độ an toàn cao, khả năng chịu áp lực, nhiệt độ và hóa chất. Nó phù hợp cho việc đo áp suất khí, chất lỏng hoặc khí nén trong các hệ thống nơi có nguy cơ hỏng hóc có thể gây nguy hiểm cho người dùng.
Ứng dụng của Đồng hồ đo áp suất Wise P257
-
- Ngành hóa chất: Sử dụng trong các quy trình xử lý hóa chất ăn mòn, nhờ khả năng chống tấn công hóa học và vật liệu thép không gỉ (316SS).
- Ngành dầu khí và hóa dầu: Áp dụng trong khai thác, chế biến dầu khí, nơi có áp suất cao và môi trường dễ nổ.
- Quy trình tinh chế: Đo áp suất trong các nhà máy lọc dầu hoặc tinh chế, với tính năng bảo vệ quá áp và chịu nhiệt độ chất lỏng lên đến 200°C.
- Sản xuất điện: Sử dụng trong nhà máy điện, hệ thống boiler hoặc turbine, nơi cần đo áp suất ổn định và an toàn với thiết kế solid front và blow-out back.
- Ngành hàng hải: Áp dụng trên tàu biển hoặc thiết bị ngoài khơi, nhờ độ bảo vệ IP67 chống bụi và nước, cùng khả năng chịu môi trường khắc nghiệt.
- Ngành thực phẩm: Sử dụng trong quy trình sản xuất thực phẩm, nơi cần vật liệu an toàn, chống ăn mòn và có thể Filled với glycerin hoặc silicone.
- Môi trường nguy hiểm dễ nổ: Lý tưởng cho các khu vực ATEX Zone 2, như mỏ khai thác hoặc nhà máy hóa chất, với tính năng an toàn chống vỡ mặt trước.
Thông số kỹ thuật cơ bản
| Thông số | Chi tiết |
| Kích thước mặt số | 63 mm / 100 mm / 160 mm |
| Độ chính xác | ±1.6% FS (63 mm) |
| ±1.0% FS hoặc ±0.5% FS (100 & 160 mm) | |
| Phạm vi áp suất | -0.1…0 đến 0…200 Mpa |
| Áp suất làm việc | Steady: 75% FS (63 mm) / 100% FS (100 & 160 mm) |
| Over range: 130% FS | |
| Nhiệt độ hoạt động | Môi trường: -40…+65°C (dry) / -20…+65°C (glycerin) / -40…+65°C (silicone) |
| Chất lỏng: max 200°C (dry) / max 100°C (filled) | |
| Bộ phận cảm biến | Ống Bourdon thép không gỉ 316SS |
| C-type: áp suất thấp | |
| Helical-type: ≥6 MPa (63 mm) / ≥10 MPa (100 & 160 mm) | |
| Kết nối áp suất | 316SS (tùy chọn Monel) |
| Kích cỡ: 1/8″, 1/4″, 3/8″, 1/2″ (tùy kích cỡ mặt số) | |
| Loại ren: PT, NPT, PF, BSPT, BSP(G) | |
| Vật liệu vỏ | Vỏ & nắp: 304SS Kính: Laminated safety glass |
| Thiết kế an toàn | Solid front + Blow-out back |
| Độ bảo vệ | IP67 |
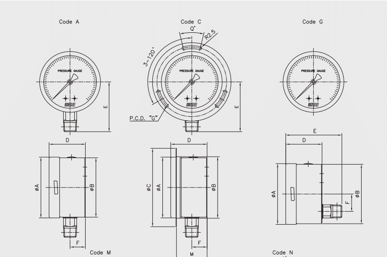
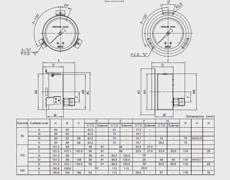
Kích thước của Đồng hồ đo áp suất Wise P258


Tham khảo Catalog chi tiết ở đây: Catalog Đồng hồ đo áp suất Wise P257
Nguyên lý hoạt động của Đồng hồ đo áp suất Wise P257
-
- Khi áp suất từ chất lỏng/khí đi vào ống Bourdon (hình chữ C hoặc xoắn ốc tùy phạm vi áp suất), áp suất bên trong làm ống giãn nở và duỗi thẳng (do tiết diện dẹt, lực tác động không đều lên hai mặt cong).
- Chuyển động nhỏ ở đầu tự do của ống được khuếch đại qua hệ thống bánh răng, liên kết (movement) bằng thép không gỉ.
- Chuyển động quay này truyền đến kim chỉ thị (pointer) trên mặt số, hiển thị giá trị áp suất tương ứng trên thang đo (bar, MPa, kPa).
- Khi áp suất giảm, ống Bourdon co lại về vị trí ban đầu, kim quay ngược.
Tính năng đặc biệt
-
- Safety pattern: Solid front + blow-out back → an toàn tối đa khi ống Bourdon vỡ.
- Chứng nhận ATEX chống nổ (Zone 1/2, khí & bụi).
- Chống ăn mòn mạnh: 316SS (element & connection), vỏ 304SS, tùy chọn Monel.
- Độ bảo vệ IP67, kính laminated safety glass.
Liên hệ mua hàng và hỗ trợ tư vấn kỹ thuật
-
- CÔNG TY TNHH KỸ THUẬT QBS
- MST : 0318810101
- HOTLINE : 0939 487 487
- EMAIL : info@qbsco.vn
Sản phẩm tương tự
Thiết bị đo lường
PROLINE PROMAG H 200 – LƯU LƯỢNG KẾ ĐIỆN TỪ
Thiết bị đo lường
PROLINE PROWIRL O 200 – LƯU LƯỢNG KẾ XOÁY
Đồng hồ đo lưu lượng
LƯU LƯỢNG KẾ XOÁY PROLINE PROWIRL F200
Thiết bị đo lường

