Đồng hồ đo áp suất Wise P440
| Tên sản phẩm | Đồng hồ đo áp suất Wise |
| Model | P440 |
| Thương hiệu | WISE |
| Xuất xứ | Hàn Quốc |
| Phân phối | Công Ty TNHH Kỹ Thuật QBS |
| Xem catalog sản phẩm | Catalog Đồng hồ đo áp suất Wise P440 |
Mô tả
Đồng hồ đo áp suất Wise P440 là đồng hồ đo áp suất có khả năng chống hóa chất vượt trội và không nhớt, sử dụng nhựa flo cho các bộ phận tiếp xúc với chất lỏng. Nó có thể được sử dụng với các chất lỏng có tính ăn mòn cao. Vật liệu vỏ là nhựa PP và có khả năng chống lại môi trường ăn mòn.
Ứng dụng của Đồng hồ đo áp suất Wise P440
-
- HVAC & thông gió: Đo áp suất gió, áp suất chênh lệch filter không khí, hệ thống điều hòa.
- Hệ thống khí nén & khí gas: Giám sát áp suất thấp trong đường ống khí, van điều khiển.
- Phòng thí nghiệm & đo lường chính xác: Thiết bị test, calibrator, nghiên cứu khoa học.
- Thiết bị y tế & dược phẩm: Máy thở, thiết bị hút dịch, kiểm soát khí trong quy trình sản xuất dược.
- Lọc & xử lý nước/không khí: Giám sát áp suất chênh lệch bộ lọc, hệ thống lọc công nghiệp.
- Công nghiệp nhẹ & tự động hóa: Pneumatic controls, giám sát dòng chảy khí, môi trường không ăn mòn mạnh.
Thông số kỹ thuật cơ bản
| Thông số | Giá trị / Chi tiết |
| Mục đích sử dụng | Đo áp suất thấp, chân không (vacuum) hoặc compound (dương + âm) |
| Element | Beryllium copper (đồng berili) – nhạy cao với áp suất nhỏ |
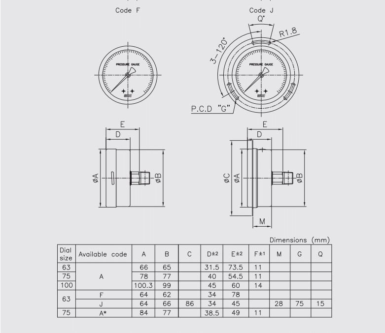
| Đường kính mặt số | 63 mm, 75 mm, 100 mm |
| Độ chính xác | ±1.5% full scale |
| Phạm vi đo (kPa) | Vacuum: -50 ~ 0 đến -5 ~ 0 |
| Compound: -15 ~ +15 đến -2.5 ~ +2.5 | |
| Positive: 0 ~ 5 đến 0 ~ 50 | |
| Áp suất làm việc | Steady: 75% FS |
| Over-range protection: 130% FS | |
| Nhiệt độ làm việc | Môi trường: -20 ~ 60 °C |
| Chất lỏng: max 60 °C | |
| Ảnh hưởng nhiệt độ | ±0.6% FS / mỗi 10 °C thay đổi so với 20 °C |
| Vỏ (Case) | Thép mạ nickel (nickel plated steel); tùy chọn 304SS (chỉ 63 mm loại F/J) |
| Nắp (Cover/Window) | Thép mạ nickel hoặc Polycarbonate (PC cover) |
| Kết nối áp suất | Nickel plated brass (chuẩn); 316SS (chỉ 63 mm F/J) |
| Kích cỡ ren | 63 mm: 1/8″, 1/4″ |
| 75 mm: 1/4″, 3/8″ | |
| 100 mm: 3/8″, 1/2″ (PT/NPT/PF) |
Kích thước của đồng hồ


Tham khảo Catalog chi tiết ở đây: Catalog Đồng hồ đo áp suất Wise P440
Nguyên lý hoạt động của Đồng hồ đo áp suất Wise P440
-
- Cấu tạo chính: Ống Bourdon hình chữ C (hoặc dạng cong) dẹt (elliptical cross-section), một đầu cố định nối với đầu vào áp suất, đầu kia tự do (đóng kín).
- Khi áp suất tác động (dương, âm hoặc compound):
- Áp suất bên trong ống làm ống cố gắng duỗi thẳng (straighten out) hoặc thay đổi hình dạng (từ dẹt → tròn hơn).
- Đầu tự do di chuyển một khoảng rất nhỏ (phù hợp với áp suất thấp).
- Truyền động: Chuyển động này được khuếch đại qua hệ thống cơ cấu bánh răng (movement brass), làm kim chỉ thị quay trên mặt số (dial).
- Đặc điểm cho áp suất thấp: Beryllium copper có độ cứng thấp hơn thép không gỉ, nên ống Bourdon nhạy hơn, đo chính xác ở dải thấp (từ vacuum -50 kPa đến positive 50 kPa), độ chính xác ±1.5% FS.
Tính năng đặc biệt
-
- Element beryllium copper: Nhạy cao, đo chính xác áp suất thấp/vacuum/compound (lên đến ±1.5% FS).
- Phạm vi đo rộng cho low pressure: -50 ~ 0 đến 0 ~ 50 kPa (vacuum, compound, positive).
- Vỏ nickel plated steel: Chống gỉ tốt, giá thành hợp lý.
- Kích thước linh hoạt: 63, 75, 100 mm; tùy chọn PC cover (polycarbonate) cho bảo vệ tốt hơn.
Liên hệ mua hàng và hỗ trợ tư vấn kỹ thuật
-
- CÔNG TY TNHH KỸ THUẬT QBS
- MST : 0318810101
- HOTLINE : 0939 487 487
- EMAIL : info@qbsco.vn
Sản phẩm tương tự
Thiết bị đo lường
PROMAG 800 – LƯU LƯỢNG KẾ ĐIỆN TỪ
Thiết bị đo lường
Đầu dò đo mực nước Gestra NRGT 26-2
Thiết bị đo lường
Đồng hồ nhiệt độ KINS – KOREA
Thiết bị đo lường

