Công tắc áp suất Wise P947
| Tên sản phẩm | Công tắc áp suất Wise |
| Model | P947 |
| Thương hiệu | WISE |
| Xuất xứ | Hàn Quốc |
| Phân phối | Công Ty TNHH Kỹ Thuật QBS |
| Xem catalog sản phẩm | Catalog Công tắc áp suất Wise P947 |
Mô tả
Công tắc áp suất Wise P947 có thể được sử dụng trong nhiều dây chuyền công nghiệp khác nhau. Công tắc vi mạch bên trong được vận hành bởi áp suất của nhiều loại chất lỏng khác nhau như áp suất khí quyển và áp suất nước. Bộ phận cảm biến áp suất là một cụm piston.
Ứng dụng của Công tắc áp suất Wise P947
-
- Giám sát và kiểm soát áp suất trong đường ống dầu khí: Sử dụng trong các đường ống dẫn khí và dầu để phát hiện áp suất bất thường.
- Hệ thống máy nén và bơm: Kiểm soát hoạt động của máy nén khí hoặc bơm dầu, với dead band điều chỉnh để ngăn chặn khởi động/lặp lại liên tục.
- Quy trình hóa chất và xử lý chất lỏng ăn mòn: Áp dụng trong nhà máy hóa chất nơi cần đo áp suất khí/dầu ăn mòn.
- Hệ thống thủy lực và khí nén: Giám sát áp suất trong hệ thống thủy lực (dầu) hoặc khí nén.
- Máy rửa áp lực nước nóng: Kích hoạt bộ đốt nóng khi phát hiện áp suất tăng.
- Hệ thống lạnh công nghiệp và ô tô: Bảo vệ và kiểm soát áp suất cao/thấp trong hệ thống làm lạnh sử dụng khí.
Thông số kỹ thuật cơ bản
| Thông số | Giá trị / Phạm vi |
| Model | P947 (Adjustable dead band weatherproof type) |
| Chất lỏng | Gas và Oil |
| Repeatability | ±1.0% của adjustable range |
| Adjustable range | -0.1 ~ -0.15 bar đến 1.5 ~ 15 MPa (tùy code) |
| Dead band | Điều chỉnh được, trong khoảng 8–20% adjustable range |
| Working temperature | Ambient: -20 ~ 65 °C |
| Fluid: Max. 100 °C | |
| Degree of protection | IP65 (EN60529/IEC529) |
| Pressure connection | 1/4″, 3/8″, 1/2″ PT / NPT / PF |
| Element | Bellows (316L SS, Monel, Hastelloy-C) |
| Case & Cover | Aluminium ALDC 12.1, silver gray |
| Contact type | Micro switch, One SPDT hoặc One DPDT |
| Contact rating (SPDT) | AC 125/250 V, 15 A |
| DC 125 V, 0.4 A (resistive) | |
| Contact rating (DPDT) | AC 125/250 V, 10 A (resistive) |
| DC 125 V, 0.5 A | |
| Conduit connection | 3/4″ PF (F) |
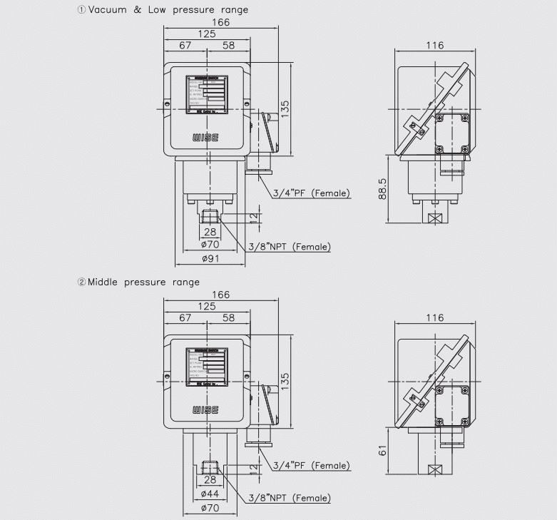
Kích thước của đồng hồ


Tham khảo Catalog chi tiết ở đây: Catalog Công tắc áp suất Wise P947
Nguyên lý hoạt động của Công tắc áp suất Wise P947
-
- Áp suất từ chất lỏng/khí (gas, oil) tác động lên phần cảm biến (bellows + piston actuated assembly), tạo lực đẩy piston di chuyển.
- Lực này chống lại lò xo điều chỉnh setpoint (có thể điều chỉnh setpoint tăng/giảm).
- Khi áp suất đạt setpoint (điểm cài đặt), piston vượt lực lò xo → cơ cấu cơ học kích hoạt micro switch bên trong (SPDT hoặc DPDT).
- Micro switch đóng/mở tiếp điểm điện (on/off circuit), ví dụ: đóng mạch khi áp suất tăng đến setpoint, mở khi giảm xuống dưới setpoint.
- Dead band điều chỉnh (8–20% adjustable range): Khoảng chênh lệch giữa setpoint tăng (actuate) và setpoint giảm (deactuate/reset), giúp tránh chập chờn (chattering) khi áp suất dao động nhỏ quanh setpoint.
- Tăng áp suất → switch bật (hoặc tắt tùy cấu hình).
- Giảm áp suất → switch tắt (hoặc bật) sau khi vượt dead band.
Tính năng đặc biệt
-
- Dead band điều chỉnh: Tránh chập chờn (chattering) khi áp suất dao động nhỏ.
- Weatherproof IP65: Chịu thời tiết ngoài trời, ẩm ướt, bụi bẩn.
- Vật liệu chống ăn mòn cao cấp: 316L SS, Monel, Hastelloy-C cho khí/dầu ăn mòn.
- Micro switch chất lượng cao: Độ tin cậy lớn, chịu tải cao (AC 15A/250V SPDT), lặp lại ±1.0%.
Liên hệ mua hàng và hỗ trợ tư vấn kỹ thuật
-
- CÔNG TY TNHH KỸ THUẬT QBS
- MST : 0318810101
- HOTLINE : 0939 487 487
- EMAIL : info@qbsco.vn
Sản phẩm tương tự
Công tắc áp suất WISE
Công tắc áp suất Wise P953
Công tắc áp suất WISE
Công tắc áp suất Wise P954
Công tắc áp suất WISE
Công tắc áp suất Wise P946
Công tắc áp suất WISE

