Công tắc áp suất Wise P970
| Tên sản phẩm | Công tắc áp suất Wise |
| Model | P970 |
| Thương hiệu | WISE |
| Xuất xứ | Hàn Quốc |
| Phân phối | Công Ty TNHH Kỹ Thuật QBS |
| Xem catalog sản phẩm | Catalog Công tắc áp suất Wise P970 |
Mô tả
Công tắc áp suất Wise P970 có thể được sử dụng trong nhiều dây chuyền công nghiệp khác nhau. Công tắc vi mạch bên trong được vận hành bởi áp suất của nhiều loại chất lỏng khác nhau, chẳng hạn như áp suất khí quyển và áp suất nước. Bộ phận cảm biến áp suất là một cụm cân bằng lực và được điều khiển bằng piston.
Ứng dụng của Công tắc áp suất Wise P970
-
- Giám sát & báo tắc bộ lọc: Phát hiện chênh lệch áp suất tăng cao qua bộ lọc dầu, bộ lọc khí, cartridge filter, HEPA filter.
- Bảo vệ bơm & hệ thống bơm: Đo chênh áp giữa đầu hút và đầu đẩy bơm → phát hiện dry run, cavitation, tắc đường hút.
- Đo mức chất lỏng bằng phương pháp chênh áp: Sử dụng trên bồn chứa kín chứa dầu, hóa chất, LPG, condensate.
- Giám sát dòng chảy: Đo chênh áp qua orifice plate, venturi, flow element.
- Kiểm soát áp suất chênh trong hệ thống khí nén & làm mát: Giám sát chênh áp qua lưới lọc gió, bộ trao đổi nhiệt.
- Ứng dụng trong ngành dầu khí & hóa dầu: Offshore oil rigs, onshore refinery, gas processing plant.
Thông số kỹ thuật cơ bản
| Thông số | Giá trị / Chi tiết |
| Loại | Chống nổ (Explosion-proof), diaphragm + piston force-balanced |
| Chất lỏng | Gas và oil |
| Dải điều chỉnh | 15 kPa đến 0.4 MPa (từ vài mbar đến 4 bar) |
| Độ lặp lại | ±1.0% của adjustable range |
| Dead band | Cố định: ~5% (1 SPDT), ~10% (2 SPDT) |
| Nhiệt độ làm việc | Môi trường: -40 ~ +65 °C |
| Chất lỏng: max 100 °C | |
| Áp suất tĩnh | Max 0.2 MPa hoặc 5 MPa (tùy range) |
| Bảo vệ | IP67 (EN60529/IEC529) |
| Tiếp điểm | Micro switch SPDT (1 hoặc 2) |
| AC 125/250V 15A (resistive) | |
| DC 125V 0.4A resistive, 0.03A inductive | |
| Kết nối process | ¼” NPT (F) |
| Kết nối conduit | ¾” NPT (F) |
| Vật liệu chính | Pressure connection: 316SS |
| Element: 316L SS, Monel, Hastelloy-C, Viton (dải thấp) | |
| Case & cover | Aluminium ALDC 12.1, sơn xám bạc |
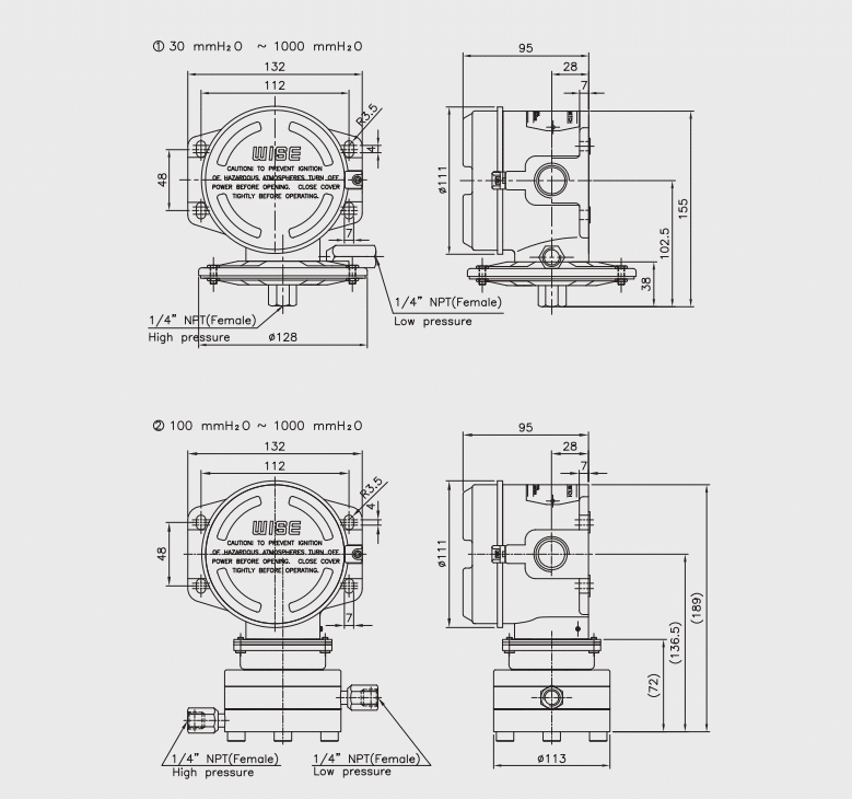
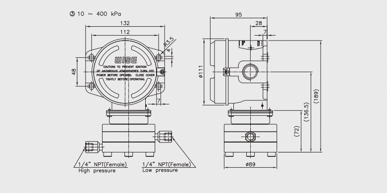
Kích thước của đồng hồ


Tham khảo Catalog chi tiết ở đây: Catalog Công tắc áp suất Wise P970
Nguyên lý hoạt động của Công tắc áp suất Wise P970
-
- Hai cổng áp suất (High side & Low side) nối vào hai bên màng đàn hồi.
- Chênh lệch áp suất (ΔP = P_high – P_low) tạo lực đẩy màng → lực này truyền qua piston.
- Piston di chuyển chống lại lò xo điều chỉnh setpoint (range spring).
- Khi ΔP vượt ngưỡng cài đặt → piston đẩy cơ cấu cơ khí (lever/rod) → kích hoạt micro switch SPDT (hoặc hai SPDT) → đóng/mở tiếp điểm điện (ON/OFF).
- Khi áp suất giảm xuống dưới ngưỡng (trừ dead band cố định ~5-10%) → tiếp điểm trở về trạng thái ban đầu.
Tính năng đặc biệt
-
- Chống nổ (Explosion-proof): Ex d IIC T6 Gb (ATEX, IECEx, KCS).
- Cơ chế cảm biến force-balanced piston + diaphragm: Chính xác cao ở dải áp suất thấp/trung bình.
- Dải điều chỉnh rộng: 15 kPa ~ 0.4 MPa (từ vài mbar đến 4 bar).
- Lặp lại cao: ±1.0% adjustable range.
Liên hệ mua hàng và hỗ trợ tư vấn kỹ thuật
-
- CÔNG TY TNHH KỸ THUẬT QBS
- MST : 0318810101
- HOTLINE : 0939 487 487
- EMAIL : info@qbsco.vn
Sản phẩm tương tự
Công tắc áp suất WISE
Công tắc áp suất Wise P945
Công tắc áp suất WISE
Công tắc áp suất Wise P954
Công tắc áp suất WISE
Công tắc áp suất Wise P991
Công tắc áp suất WISE

