Công tắc nhiệt độ Wise T931, T932
| Tên sản phẩm | Công tắc nhiệt độ Wise |
| Model | T931, T932 |
| Thương hiệu | WISE |
| Xuất xứ | Hàn Quốc |
| Phân phối | Công Ty TNHH Kỹ Thuật QBS |
| Xem catalog sản phẩm | Catalog Công tắc nhiệt độ Wise T931, T932 |
Mô tả
Công tắc nhiệt độ Wise T931, T932 là công tắc nhiệt độ hiển thị kiểu bù trừ (gas-filled bulb type), kết hợp hiển thị nhiệt độ trực tiếp trên mặt đồng hồ Ø150mm và công tắc vi mô (micro switch) để bật/tắt khi đạt ngưỡng nhiệt độ đặt trước (single hoặc dual setpoint).
Ứng dụng của Công tắc nhiệt độ Wise T931, T932
-
- Giám sát & kiểm soát nhiệt độ chất lỏng ăn mòn: Axit, kiềm, dung dịch ăn mòn trong bồn chứa, bể phản ứng, đường ống.
- Ứng dụng công nghiệp hóa chất & hóa dầu: Nhà máy sản xuất hóa chất, phân bón, sơn, dược phẩm.
- Hệ thống điều khiển tự động: Bật/tắt máy bơm, van, hệ thống làm nóng/làm lạnh khi nhiệt độ đạt ngưỡng.
- Báo động an toàn & shutdown: Báo quá nhiệt/dưới nhiệt, ngắt mạch khi vượt ngưỡng.
Thông số kỹ thuật cơ bản
| Thông số | Chi tiết |
| Model | T931 (Case compensation – SAMA IIIB) |
| T932 (Full compensation – SAMA IIIA) | |
| Đường kính mặt đồng hồ | 150 mm |
| Hệ thống đo | Gas-actuated (khí giãn nở) |
| Phạm vi đo | T931: -200 ~ 700 °C |
| T932: 0 ~ 200 °C | |
| Độ chính xác | ±2.0% full scale (option: ±1.0%) |
| Độ lặp lại | ±1.0% adjustable range |
| Deadband | Cố định |
| Loại switch | Micro switch snap-action |
| Form switch | 1 SPDT (single setpoint) hoặc 2 SPDT (dual setpoint) |
| Tiếp điểm điện | AC 125/250 V, 15 A (resistance) |
| DC 125 V, 0.4 A (resistance) | |
| DC 125 V, 0.03 A (inductive) | |
| Vật liệu stem | 316SS hoặc 316L SS |
| Đường kính stem | 8.0 / 10.0 / 12.0 mm |
| Kết nối process | 3/8″, 1/2″, 3/4″ PT / NPT / PF (có option compression fitting hoặc movable thread) |
| Kết nối điện | Conduit 1/2″ hoặc 3/4″ PF |
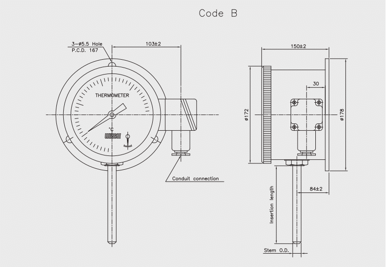
Kích thước của Nhiệt kế


Tham khảo Catalog chi tiết ở đây: Catalog Công tắc nhiệt độ Wise T931, T932
Nguyên lý hoạt động của Công tắc nhiệt độ Wise T931, T932
Hoạt động dựa trên nguyên lý giãn nở áp suất khí (gas expansion / gas-actuated) trong hệ thống kín:
-
- Cảm biến nhiệt (bulb/stem) chứa khí trơ (thường là nitơ) được đặt tiếp xúc với chất lỏng cần đo.
- Khi nhiệt độ tăng → khí giãn nở → áp suất tăng (theo định luật khí lý tưởng ở thể tích không đổi).
- Áp suất được truyền qua capillary (ống mao dẫn dài, 316SS) đến Bourdon tube (ống Bourdon hình chữ C) bên trong mặt đồng hồ.
- Ống Bourdon uốn cong theo áp suất → chuyển động cơ học làm kim chỉ quay trên mặt số Ø150mm → hiển thị nhiệt độ trực tiếp.
- Đồng thời, chuyển động cơ học này tác động lên micro switch snap-action (SPDT hoặc 2 SPDT):
- Khi đạt setpoint (ngưỡng đặt) → micro switch bật/tắt tiếp điểm điện → điều khiển hoặc báo động (AC 15A / DC inductive 0.03A).
Tính năng đặc biệt
-
- Hiển thị + công tắc tích hợp: Đồng hồ Ø150mm chỉ nhiệt độ + micro switch snap-action bật/tắt khi đạt setpoint.
- Dùng cho chất lỏng ăn mòn: Stem/capillary 316SS/316LSS, chịu corrosive fluid.
- Hệ thống bù nhiệt độ môi trường:
- T931: Case compensation (SAMA IIIB) → bù vỏ case, phạm vi rộng -200 ~ 700°C.
- T932: Full compensation (SAMA IIIA) → bù toàn phần (case + capillary), chính xác hơn ở 0 ~ 200°C.
- Deadband cố định, repeatability ±1% dải đo, accuracy ±2% FS (option ±1%).
Liên hệ mua hàng và hỗ trợ tư vấn kỹ thuật
-
- CÔNG TY TNHH KỸ THUẬT QBS
- MST : 0318810101
- HOTLINE : 0939 487 487
- EMAIL : info@qbsco.vn
Sản phẩm tương tự
Thiết bị đo lường
Đồng hồ đo áp suất KINS
Thiết bị đo lường
PROLINE PROWIRl D 200 – LƯU LƯỢNG KẾ XOÁY
Thiết bị đo lường
PROLINE PROWIEL R 200 – LƯU LƯỢNG KẾ XOÁY
Thiết bị đo lường

