Đồng hồ áp suất Wise P820
| Tên sản phẩm | Đồng hồ áp suất Wise |
| Model | P820 |
| Thương hiệu | WISE |
| Xuất xứ | Hàn Quốc |
| Phân phối | Công Ty TNHH Kỹ Thuật QBS |
| Xem catalog sản phẩm | Catalog Đồng hồ áp suất Wise P820 |
Mô tả
Đồng hồ áp suất Wise P820 (loại 316L) được thiết kế đặc biệt cho các hệ thống phân phối khí có độ tinh khiết cực cao (ultra-high purity gas distribution system). Chúng được sử dụng trong các ngành công nghiệp đòi hỏi độ sạch cao, tránh ô nhiễm, để đo lường áp suất chính xác và đáng tin cậy.
Ứng dụng của Đồng hồ áp suất Wise P820
-
- Ngành bán dẫn: Sử dụng trong hệ thống khí để sản xuất chip và linh kiện điện tử, đảm bảo không có tạp chất ảnh hưởng đến quy trình.
- Ngành điện tử: Áp dụng trong phân phối khí cho sản xuất thiết bị điện tử, nơi yêu cầu độ tinh khiết cao để tránh hỏng hóc.
- Ngành y tế: Dùng trong hệ thống khí y tế, như khí oxy hoặc khí chuyên dụng, để đo áp suất trong môi trường sạch sẽ, an toàn cho bệnh nhân.
- Ngành công nghệ sinh học: Hỗ trợ trong các quy trình nuôi cấy tế bào hoặc sản xuất sinh học.
- Ngành dược phẩm: Sử dụng trong sản xuất thuốc và dược phẩm, đảm bảo hệ thống khí không gây ô nhiễm cho sản phẩm cuối cùng.
Thông số kỹ thuật cơ bản
| Thông số | Giá trị / Mô tả |
| Đường kính danh nghĩa | 50 mm (2″) hoặc 63 mm (2½”) |
| Độ chính xác | Grade A (±2-1-2%) hoặc Grade B (±3-2-3%) |
| Phạm vi đo | 0 ~ 28 MPa (hoặc -1 ~ +25 MPa tùy range) |
| Áp suất làm việc | Steady: 75% full scale |
| Fluctuating: 67% full scale | |
| Nhiệt độ làm việc | Môi trường: -40 ~ 65 °C |
| Chất lỏng: max 100 °C | |
| Ảnh hưởng nhiệt độ | ±0.4% full scale / 10 °C (so với 20 °C) |
| Vật liệu kết nối áp suất | 316L SS double melt, electropolished, Ra ≤ 0.25 µm |
| Loại ống Bourdon | C-type (<6 MPa) |
| Helical-type (≥6 MPa) | |
| Vật liệu case | 304SS electropolished, có pressure relief |
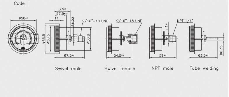
| Kết nối | ¼” NPT male |
| Swivel male/female face seal | |
| Tube welding | |
| Helium leak rate | < 10⁻⁹ mbar·l/sec |
Kích thước của đồng hồ


Tham khảo Catalog chi tiết ở đây: Catalog Đồng hồ áp suất Wise P820
Nguyên lý hoạt động của Đồng hồ áp suất Wise P820
-
- Nguyên lý cơ bản: Khi áp suất khí (hoặc chất lỏng) đi vào ống Bourdon (hình chữ C cho áp suất <6 MPa, hoặc hình xoắn ốc helical cho ≥6 MPa), áp suất bên trong làm ống bị biến dạng (duỗi thẳng ra hoặc thay đổi hình dạng từ oval sang gần tròn hơn).
- Chuyển động: Đầu tự do của ống di chuyển (duỗi ra hoặc xoay), truyền qua cơ cấu bánh răng và liên kết (movement stainless steel) để khuếch đại chuyển động tuyến tính thành chuyển động quay.
- Hiển thị: Chuyển động quay làm kim chỉ (pointer) di chuyển trên mặt số (dial), chỉ ra giá trị áp suất tương ứng (đơn vị bar/psi hoặc MPa).
- Đặc điểm nổi bật: Hoạt động cơ học hoàn toàn (không cần điện), độ chính xác cao (Grade A hoặc B), phù hợp khí ultra-high purity nhờ bề mặt finish Ra ≤0.25µm và helium leak rate <10⁻⁹ mbar·l/sec.
Tính năng đặc biệt
-
- Ultra-high purity (EP grade): Dành riêng cho khí siêu tinh khiết (semiconductor, y tế, dược phẩm…).
- Vật liệu 316L SS double melt electropolished, bề mặt finish Ra ≤ 0.25 µm → giảm thiểu ô nhiễm & hạt.
- Helium leak rate < 10⁻⁹ mbar·l/sec → kín khí tuyệt đối.
- Ống Bourdon 316L: C-type (<6 MPa) hoặc helical (≥6 MPa).
Liên hệ mua hàng và hỗ trợ tư vấn kỹ thuật
-
- CÔNG TY TNHH KỸ THUẬT QBS
- MST : 0318810101
- HOTLINE : 0939 487 487
- EMAIL : info@qbsco.vn
Sản phẩm tương tự
Thiết bị đo lường
PROMAG H 100 – LƯU LƯỢNG KẾ ĐIỆN
Thiết bị đo lường
Đầu dò đo mực nước Gestra NRGT 26-2
Thiết bị đo lường
PROMAG H 500 – LƯU LƯỢNG KẾ ĐIỆN TỪ
Thiết bị đo lường

