Đồng hồ nhiệt độ Wise T250
| Tên sản phẩm | Đồng hồ nhiệt độ Wise |
| Model | T250 |
| Thương hiệu | WISE |
| Xuất xứ | Hàn Quốc |
| Phân phối | Công Ty TNHH Kỹ Thuật QBS |
| Xem catalog sản phẩm | Catalog Đồng hồ nhiệt độ Wise T250 |
Mô tả
Đồng hồ nhiệt độ Wise T250 được sử dụng để đo nhiệt độ của chất lỏng ăn mòn và không ăn mòn trong tất cả các ngành công nghiệp. Nó hoạt động trong môi trường khắc nghiệt và không khắc nghiệt. Các vạch chia tuyến tính và vạch bù nhiệt độ đảm bảo hiển thị nhiệt độ chính xác trong các điều kiện môi trường khác nhau.
Ứng dụng của Đồng hồ nhiệt độ Wise T250
-
- Nhà máy công nghiệp chung: Đo nhiệt độ đường ống nước nóng, dầu, hơi.
- Ngành hóa chất – hóa dầu: Theo dõi nhiệt độ trong bồn chứa, đường ống và hệ thống phản ứng.
- Nhà máy thực phẩm & đồ uống: Giám sát nhiệt độ nước, sữa, dung dịch, dầu trong sản xuất.
- Hệ thống HVAC – Chiller – Boiler: Đo nhiệt độ nước lạnh, nước nóng, khí điều hòa.
- Ngành năng lượng – lò hơi – turbine: Đo nhiệt độ hơi bão hòa, hơi quá nhiệt.
- Ngành xử lý nước – môi trường: Đo nhiệt độ nước cấp cho hệ thống công nghiệp.
Thông số kỹ thuật cơ bản
| Hạng mục | Thông số |
| Model | T250 |
| Kiểu đo | Nhiệt kế giãn nở khí (Gas-filled system – SAMA Class III B) |
| Dải đo nhiệt độ | –200°C đến 700°C (tùy model) |
| Độ chính xác | ±2% FS (chuẩn), tùy chọn ±1% FS |
| Đường kính mặt (Dial) | 100 mm hoặc 160 mm |
| Kiểu lắp | Bottom connection (A), Lower back connection (G) |
| Vật liệu vỏ (Case) | Inox 304 |
| Mặt kính (Window) | Kính cường lực (Tempered safety glass) |
| Vật liệu que đo (Stem) | Inox 316 hoặc 316L |
| Đường kính que đo | Ø8 mm, Ø10 mm, Ø12 mm |
| Chiều dài que đo | 65 → 2000 mm (tùy chọn theo mã) |
| Kiểu ren kết nối | ⅜”, ½”, ¾” PT / NPT / PF |
| Kết nối qua Compression fitting | PT, NPT, PF hoặc ren di động |
| Áp suất cho phép tại que đo | Tối đa 2 MPa (20 bar) ở điều kiện tĩnh |
| Kiểu kim | Nhôm sơn đen |
| Mặt số (Dial) | Nhôm trắng, vạch đen, dễ đọc |
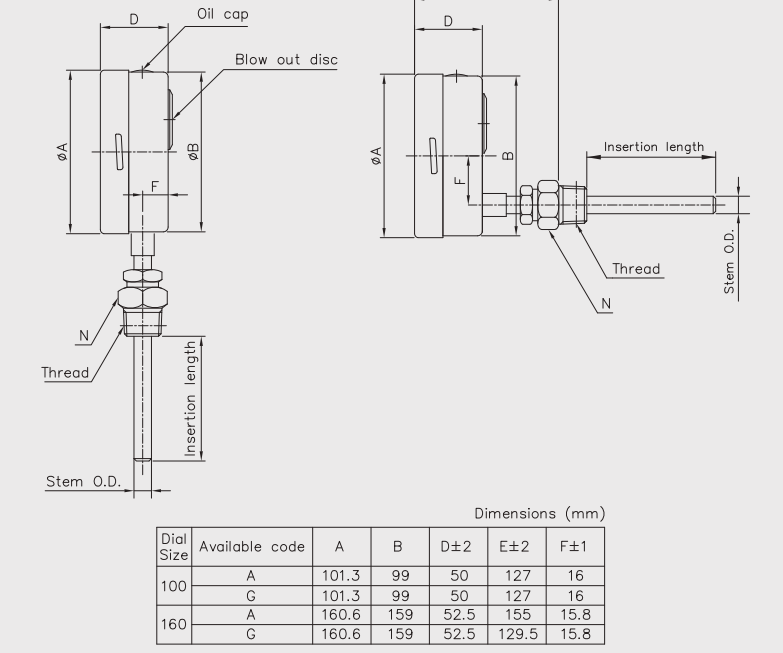
Kích thước của đồng hồ


Tham khảo Catalog chi tiết ở đây: Catalog Đồng hồ nhiệt độ Wise T250
Nguyên lý hoạt động của Đồng hồ nhiệt độ Wise T250
-
- Bên trong que đo chứa khí (Gas-filled system – SAMA class III B). Khi nhiệt độ môi trường tăng, khí trong que đo giãn nở; khi nhiệt độ giảm, khí co lại.
- Sự giãn nở – co lại của khí tạo ra áp suất. Thay đổi áp suất này được truyền qua ống capillary bên trong thân nhiệt kế.
- Áp suất tác động lên cơ cấu đo (ống Bourdon). Bourdon sẽ biến dạng tương ứng với mức áp suất.
- Cơ cấu truyền động biến đổi biến dạng thành chuyển động kim. Khi Bourdon cong ra hoặc co lại → hệ truyền động → kim xoay trên mặt số.
- Kim chỉ thị trực tiếp giá trị nhiệt độ trên thang đo. Nhờ cơ chế tuyến tính và bù nhiệt, đồng hồ cho phép đọc chính xác dù nhiệt độ môi trường thay đổi.
Tính năng đặc biệt
-
- Đo nhiệt độ dải rất rộng: Từ –200°C đến 700°C nhờ hệ thống khí (gas-filled).
- Chịu môi trường ăn mòn tốt: Thân, que đo bằng 316/316L inox.
- Chính xác cao: Tiêu chuẩn ±2% FS, có tùy chọn ±1% FS.
- Hoạt động ổn định: Trong môi trường rung khi kết hợp thermowell.
Liên hệ mua hàng và hỗ trợ tư vấn kỹ thuật
-
- CÔNG TY TNHH KỸ THUẬT QBS
- MST : 0318810101
- HOTLINE : 0939 487 487
- EMAIL : info@qbsco.vn
Sản phẩm tương tự
Thiết bị đo lường
PROMAG W 10 – LƯU LƯỢNG KẾ ĐIỆN TỪ
Thiết bị đo lường
PROMAG H 100 – LƯU LƯỢNG KẾ ĐIỆN
Thiết bị đo lường
PROMAG 800 – LƯU LƯỢNG KẾ ĐIỆN TỪ
Đồng hồ đo lưu lượng

